க்யு ஆர் குறியீடு
எங்களைப் பற்றி
தயாரிப்புகள்
எங்களை தொடர்பு கொள்ள

தொலைபேசி

தொலைநகல்
+86-574-87168065

மின்னஞ்சல்

முகவரி
Luotuo தொழில்துறை பகுதி, Zhenhai மாவட்டம், Ningbo நகரம், சீனா
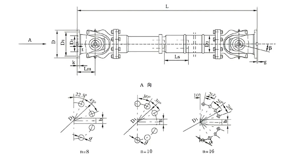
Raydafon இன் SWC-BF ஸ்டாண்டர்ட் ஃப்ளெக்ஸ் ஃபிளேஞ்ச் வகை யுனிவர்சல் கப்ளிங் கனரக இயந்திரங்களில் நம்பகத்தன்மையுடன் முறுக்குவிசையை நகர்த்துவதற்காக கட்டமைக்கப்பட்டுள்ளது—உருட்டுதல் ஆலைகள், காகிதம் தயாரிக்கும் கருவிகள், தொழில்துறை இயக்கிகள், கடினமான செயல்திறன் தேவைப்படும் அனைத்து அமைப்புகளும். இது 180 மிமீ முதல் 620 மிமீ வரையிலான ஜிரேஷன் விட்டம் கொண்ட ஒரு நெகிழ்வான விளிம்பு வடிவமைப்பைக் கொண்டுள்ளது, மேலும் இந்த நிலையான ஃப்ளெக்ஸ் யுனிவர்சல் இணைப்பு 15 டிகிரி வரையிலான கோண தவறான அமைப்புகளையும் 1250 kN·m வரை முறுக்குவிசையையும் கையாளுகிறது. தேவைப்படும் பணிச்சூழலில் கூட, அது சீராக இயங்குகிறது, எந்த குறையும் இல்லை. நாங்கள் அதை அதிக வலிமை கொண்ட 35CrMo ஸ்டீல் மற்றும் துல்லியமான ஊசி தாங்கு உருளைகள் மூலம் உருவாக்குகிறோம், எனவே இது தொழில்துறை இயந்திரங்களுக்கான உலகளாவிய இணைப்புகளாகவும், கனரக உபகரணங்களுக்கான ஃப்ளெக்ஸ் ஃபிளேன்ஜ் இணைப்புகளாகவும் இருக்கிறது - சக்தியை வலுவாக நகர்த்துகிறது, மேலும் நீங்கள் எந்த அதிர்வையும் கவனிக்கவில்லை.
சீனாவில் எங்கள் உற்பத்தி ISO 9001 தரநிலைகளைப் பின்பற்றுகிறது, எனவே SWC-BF உலகளாவிய இணைப்பு நீண்ட காலம் நீடிக்கும் மற்றும் அரிப்பை எதிர்க்கிறது-அதன் குரோம் பூசப்பட்ட குறுக்கு தண்டுக்கு நன்றி. ஃபிளேன்ஜ் இணைப்பு நிறுவலை எளிதாக்குகிறது, இது உலோகம், சுரங்கம் மற்றும் கப்பல் கட்டுதல் போன்ற துறைகளில் ஒரு பெரிய உதவியாகும் - உங்களுக்கு மிதமான அச்சு நெகிழ்வுத்தன்மை தேவைப்படும் இடங்கள். அதன் அளவு மற்றும் முறுக்கு மதிப்பீடுகளையும் நாம் தனிப்பயனாக்கலாம், எனவே இந்த நீடித்த நெகிழ்வு உலகளாவிய இணைப்பு உருட்டல் ஆலைகள் மற்றும் பிற தொழில்துறை தேவைகளுக்கான தனிப்பயன் உலகளாவிய இணைப்புகளாக சிறப்பாக செயல்படுகிறது. மற்றும் விலை போட்டியாக உள்ளது, அதிக கட்டணம் இல்லை. Raydafon இன் அறிவாற்றல் என்றால், நீங்கள் பராமரிப்பில் குறைந்த நேரத்தை செலவிடுவீர்கள், மேலும் உங்கள் உபகரணங்கள் மிகவும் நம்பகமானதாக இருக்கும்-உலகெங்கிலும் உள்ள ஆபரேட்டர்கள் நம்பலாம்.
| இல்லை | கைரேஷன் விட்டம் டி மிமீ | பெயரளவு முறுக்கு Tn KN·m | அச்சுகள் மடிப்பு கோணம் β (°) | சோர்வான முறுக்கு Tf KN·m | நெகிழ்வு அளவு Ls மிமீ | அளவு (மிமீ) | சுழலும் மந்தநிலை கி.மீ2 | எடை (கிலோ) | |||||||||||
| Lmin | D1 (js11) | D2 (H7) | D3 | Lm | n-d | k | t | b (h9) | g | Lmin | அதிகரிக்கவும் 100மிமீ | Lmin | அதிகரிக்கவும் 100மிமீ | ||||||
| SWC180BF | 180 | 12.5 | 6.3 | ≤25 | 100 | 810 | 155 | 105 | 114 | 110 | 8-17 | 17 | 5 | -1.455 | - | 0.27 | 0.0070 | 80 | 2.8 |
| SWC225BF | 225 | 40 | 20 | ≤15 | 140 | 920 | 196 | 135 | 152 | 120 | 8-17 | 20 | 5 | 32 | 9 | 0.79 | 0.0234 | 138 | 4.9 |
| SWC250BF | 250 | 63 | 31.5 | 1035 | 218 | 150 | 168 | 140 | 8-19 | 25 | 6 | 40 | 12.5 | 1.46 | 0.0277 | 196 | 5.3 | ||
| SWC285BF | 285 | 90 | 45 | 1190 | 245 | 170 | 194 | 160 | 8-21 | 27 | 7 | 40 | 15 | 2.87 | 0.0510 | 295 | 6.3 | ||
| SWC315BF | 315 | 125 | 63 | 1315 | 280 | 185 | 219 | 180 | 10-23 | 32 | 8 | 40 | 15 | 5.09 | 0.0795 | 428 | 8.0 | ||
| SWC350BF | 350 | 180 | 90 | 150 | 1410 | 310 | 210 | 267 | 194 | 10-23 | 35 | 8 | 50 | 16 | 9.20 | 0.2219 | 632 | 15.0 | |
| SWC390BF | 390 | 250 | 125 | 170 | 1590 | 345 | 235 | 267 | 215 | 10-25 | 40 | 8 | 70 | 18 | 16.62 | 0.2219 | 817 | 15.0 | |
| SWC440BF | 440 | 355 | 180 | 190 | 1875 | 390 | 255 | 325 | 260 | 16-28 | 42 | 10 | 80 | 20 | 28.24 | 0.4744 | 1290 | 21.7 | |
| SWC490BF | 490 | 500 | 250 | 190 | 1985 | 435 | 275 | 325 | 270 | 16-31 | 47 | 12 | 90 | 22.5 | 46.33 | 0.4744 | 1631 | 21.7 | |
| SWC550BF | 550 | 710 | 355 | 240 | 2300 | 492 | 320 | 426 | 305 | 16-31 | 50 | 12 | 100 | 22.5 | 86.98 | 1.3570 | 2567 | 34.0 | |
| SWC620BF | 620 | 1000 | 500 | 240 | 2500 | 555 | 380 | 426 | 340 | 10-38 | 55 | 12 | 100 | 25 | 147.50 | 1.3570 | 3267 | 34.0 | |
யுனிவர்சல் இணைப்புகள் - யுனிவர்சல் கூட்டு இணைப்புகள் என்றும் அழைக்கப்படுகின்றன - இவை இரண்டு தண்டுகளுக்கு இடையில் முறுக்கு மற்றும் சுழற்சி இயக்கத்தை நகர்த்தும் இயந்திர பாகங்கள், அவை சரியாக வரிசையாக இருக்காது. அவை கோண, அச்சு மற்றும் ரேடியல் தவறான சீரமைப்புகளைக் கையாளுகின்றன, இவை அனைத்தும் வெவ்வேறு தொழில்துறை பயன்பாடுகளில் ஆற்றல் பரிமாற்றத்தை திறம்பட வைத்திருக்கின்றன. Raydafon இல், எங்களுடைய SWC கார்டன் ஷாஃப்ட் யுனிவர்சல் கூட்டு இணைப்புத் தொடர்கள் சிறந்த பொறியியலுக்கான சிறந்த உதாரணம், ரோலிங் மில்ஸ் மற்றும் ஹைஸ்டிங் மெஷினரி போன்ற ஹெவி-டூட்டி ஸ்பாட்களுக்காக உருவாக்கப்பட்ட உயர்-முறுக்கு யுனிவர்சல் கூட்டு இணைப்பு தீர்வுகளை வழங்குகிறது.
உலகளாவிய கூட்டு இணைப்புகளின் முக்கிய வகைகளை உடைப்போம்:
முதலில் சிங்கிள் யுனிவர்சல் கூட்டு. இது இரண்டு நுகங்களை இணைக்கும் ஒரு குறுக்கு வடிவ பிவோட்டைக் கொண்டுள்ளது, தண்டுகள் 45 டிகிரி வரை கோணத் தவறான அமைப்பைக் கொண்டிருக்கும். மிதமான ஆஃப்செட்கள் கொண்ட அமைப்புகளுக்கு இது நன்றாக வேலை செய்கிறது, இருப்பினும் இது வேகத்தில் மாற்றங்களை ஏற்படுத்தலாம். ரோலிங் மில் செயல்பாடுகளுக்கான ரேடாஃபோனின் நம்பகமான ஹெவி-டூட்டி யுனிவர்சல் கூட்டு இணைப்பு பெரும்பாலும் கச்சிதமான கட்டமைப்பில் ஒற்றை கூட்டு வடிவமைப்புகளைப் பயன்படுத்துகிறது, எனவே இது அதிக சுமைகளின் கீழும் சிறப்பாக இருக்கும்.
பின்னர் இரட்டை யுனிவர்சல் கூட்டு உள்ளது. இது இரண்டு ஒற்றை மூட்டுகளை ஒன்றாக இணைக்கிறது, இது பெரிய தவறான சீரமைப்புகளை கையாளுகிறது மற்றும் பரிமாற்ற வேகத்தை கிட்டத்தட்ட மாறாமல் வைத்திருக்கிறது-தந்திரமான தண்டு அமைப்புகளுக்கு ஏற்றது. தூக்குதல் மற்றும் பொருள் கையாளுதல் உபகரணங்களில் உங்களுக்கு நீடித்த SWC யுனிவர்சல் கூட்டு தண்டு இணைப்பு தேவைப்படும் போது, Raydafon இன் இரட்டை கூட்டு மாதிரிகள் நிலைத்தன்மையை அதிகரிக்கின்றன மற்றும் உயர் அழுத்த தொழில்துறை உலகளாவிய கூட்டு இணைப்பு அமைப்புகளில் அதிர்வுகளை குறைக்கின்றன.
அடுத்தது டெலஸ்கோபிக் அல்லது விரிவாக்கக்கூடிய யுனிவர்சல் கூட்டு. இது ஸ்ப்லைன்கள் அல்லது ஸ்லைடிங் பாகங்களைக் கொண்டுள்ளது, இது நீளத்தை சரிசெய்ய உங்களை அனுமதிக்கிறது, அதே நேரத்தில் தவறான சீரமைப்புக்கு ஈடுசெய்கிறது, இது டைனமிக் அமைப்புகளில் அச்சு இயக்கங்களுக்கு வேலை செய்கிறது. Raydafon இன் SWC ஹெவி-டூட்டி யுனிவர்சல் கூட்டு இணைப்பு தொலைநோக்கி விருப்பங்களை உள்ளடக்கியது-அவை சுரங்கங்கள் அல்லது கட்டுமான தளங்கள் போன்ற இடங்களில் பெரிய மின் பரிமாற்றத்திற்கான திறமையான உலகளாவிய கூட்டு இணைப்பாக செயல்படுகின்றன.
சாலிட், சலிப்பு அல்லது ஸ்ப்லைன்ட் ஹப் வகைகளும் உள்ளன. இவை எவ்வாறு இணைகின்றன என்பதன் மூலம் வேறுபடுகின்றன: திடமான மையங்களில் துளைகள் இல்லை, சலித்த மையங்களில் வட்டமான, ஹெக்ஸ் அல்லது சதுர திறப்புகள் உள்ளன, மேலும் ஸ்பிளின் ஹப்கள் இறுக்கமான பொருத்தத்திற்கான பள்ளங்களைக் கொண்டுள்ளன. ஆற்றல்-சேமிப்பு உலகளாவிய கூட்டு இணைப்பு தீர்வுகளுக்கு, Raydafon எங்கள் குறைந்த-இரைச்சல் உலகளாவிய கூட்டு இணைப்பு வரிசையில் ஸ்பைன்ட் வடிவமைப்புகளை வழங்குகிறது-அவை முறுக்கு விநியோகத்தை மேம்படுத்துகின்றன மற்றும் உணர்திறன் வாய்ந்த தொழில்துறை இடங்களில் 30-40 dB(A) வரை சத்தத்தை வைத்திருக்கின்றன.
SWC தொடர்கள் உட்பட Raydafon இன் உலகளாவிய கூட்டு இணைப்புகள், ஒருங்கிணைந்த ஃபோர்க் ஹெட் டிசைன்களுடன் உருவாக்கப்பட்டுள்ளன - மேலும் போல்ட் தொடர்பான சிக்கல்கள் இல்லை, இது வலிமையை 30%-50% அதிகரிக்கிறது மற்றும் 98.6% வரை பரிமாற்றத் திறனை அதிகரிக்கிறது. தனிப்பயனாக்கப்பட்ட, உயர் செயல்திறன் தீர்வுகள் தேவைப்படும் நிபுணர்களுக்கு இந்த அம்சங்கள் எங்கள் தயாரிப்புகளை சிறந்த தேர்வாக ஆக்குகின்றன.
Universal couplings-Rydafon's SWC cardan shaft universal joint coupling ஐ ஒரு பிரதான உதாரணமாக எடுத்துக் கொள்ளுங்கள்-தொழில்துறை பரிமாற்ற அமைப்புகளுக்கு பெரிய பலன்களை கொண்டு வருகிறது. அவை சீரமைக்கப்படாத தண்டுகளுக்கு இடையில் முறுக்குவிசையை திறம்பட நகர்த்துகின்றன, எல்லா வகையான விலகல்களையும் கையாளுகின்றன, மேலும் அவை கடினமான சூழல்களில் செயல்பாடுகளை சீராக இயங்க வைப்பதற்கு அவசியமானவை—உயர் முறுக்கு உலகளாவிய கூட்டு இணைப்பு தீர்வுகள் போன்றவை.
அவற்றின் முக்கிய நன்மைகளுக்குள் நுழைவோம்: முதலில், தவறான சீரமைப்புக்கு ஈடுசெய்வதில் அவை சிறந்தவை. யுனிவர்சல் இணைப்புகள் 25 டிகிரி வரை கோண, அச்சு மற்றும் ரேடியல் தவறான சீரமைப்புகளைக் கையாளுகின்றன, இது ரோலிங் மில் செயல்பாடுகளுக்கு நம்பகமான ஹெவி-டூட்டி உலகளாவிய கூட்டு இணைப்பாக அமைகிறது. அதிக இயந்திர அழுத்தம் அல்லது அதிர்வுகளைச் சேர்க்காமல் அவர்கள் இதைச் செய்கிறார்கள், எனவே உங்கள் இயந்திரங்கள் பாதுகாப்பாக இருக்கும்.
பின்னர் அவர்களின் கடினமான ஆயுள் மற்றும் நீண்ட சேவை வாழ்க்கை உள்ளது. ஒருங்கிணைந்த ஃபோர்க் ஹெட் டிசைன்கள் மற்றும் அதிக வலிமை கொண்ட பொருட்களைக் கொண்டு இந்த இணைப்புகளை நாங்கள் உருவாக்குகிறோம், இது போல்ட்கள் தளர்வது அல்லது உடைவது போன்ற அபாயங்களைக் குறைக்கிறது - கட்டமைப்பு ஒருமைப்பாட்டை 30% -50% அதிகரிக்கும். அதனால்தான், தூக்கும் மற்றும் பொருள் கையாளுதல் உபகரணங்களில் நீடித்த SWC யுனிவர்சல் கூட்டு தண்டு இணைப்பு கடுமையான சூழ்நிலைகளில் நீண்ட நீட்டிப்புகளுக்கு நன்றாக வேலை செய்கிறது; இது ஒரு நீண்ட ஷாட் மூலம் பாரம்பரிய மாதிரிகளை விஞ்சி நிற்கிறது.
அவை உயர்தர சுமை தாங்கும் மற்றும் முறுக்கு திறன் கொண்டவை. 0.15 முதல் 1000 கி.மீ இந்த அமைப்புகளில், தீவிர சுமைகளின் கீழ் நிலையான செயல்திறன் உருவாக்குதல் அல்லது உடைத்தல் ஆகும், மேலும் இந்த இணைப்பு ஒவ்வொரு முறையும் வழங்குகிறது.
பவர் டிரான்ஸ்மிஷன் செயல்திறன் என்று வரும்போது, அவற்றை வெல்வது கடினம். 98.6% செயல்திறனைத் தாக்கும், SWC ஹெவி-டூட்டி யுனிவர்சல் கூட்டு இணைப்பு ஆற்றல் இழப்பைக் குறைக்கிறது. இது உயர்-சக்தி தொழில்துறை பயன்பாடுகளில் பெரிய ஆற்றல் பரிமாற்றத்திற்கான ஒரு திறமையான உலகளாவிய கூட்டு இணைப்பாக ஆக்குகிறது, மேலும் காலப்போக்கில், அந்த செயல்திறன் உண்மையான செலவு சேமிப்பு வரை சேர்க்கிறது.
கடைசியாக ஆனால் குறைந்தது அல்ல, அவை ஆற்றலைச் சேமித்து அமைதியாக இயங்குகின்றன. ஆற்றல் சேமிப்பு உலகளாவிய கூட்டு இணைப்பு தீர்வுகளாக, அவை மின்சார பயன்பாட்டைக் குறைக்கின்றன, மேலும் அவை வெறும் 30-40 dB(A) இல் இயங்குகின்றன. இந்த குறைந்த சத்தம் கொண்ட உலகளாவிய கூட்டு இணைப்பு, சத்தம் ஒரு கவலையாக இருக்கும் தொழில்துறை இடங்களுக்கு ஏற்றது - சத்தமாக செயல்படாமல் உங்களுக்கு தேவையான அனைத்து நம்பகத்தன்மையையும் பெறுவீர்கள்.
யுனிவர்சல் கப்ளிங்ஸ்-பெரும்பாலானவர்கள் அவர்களை யுனிவர்சல் கூட்டு இணைப்புகள் என்று அழைக்கிறார்கள்-ஒரு எளிய ஆனால் பயனுள்ள இயந்திர யோசனையில் வேலை செய்கிறார்கள்: அவை இரண்டு தண்டுகளுக்கு இடையில் முறுக்கு மற்றும் சுழற்சி இயக்கத்தை நகர்த்துகின்றன, அவை சரியாக வரிசையாக இல்லை, கோண, அச்சு மற்றும் ரேடியல் தவறான சீரமைப்புகளை ஒரு துடிப்பைத் தவிர்க்காமல் கையாளுகின்றன. உதாரணமாக, Raydafon இன் SWC கார்டன் ஷாஃப்ட் உலகளாவிய கூட்டு இணைப்பை எடுத்துக் கொள்ளுங்கள் - இது இந்தக் கொள்கையின் சிறந்த காட்சிப் பொருளாகும். ஒவ்வொரு தண்டிலும் உள்ள நுகங்களை இணைக்க இது குறுக்கு வடிவ பிவோட்டைப் பயன்படுத்துகிறது (இதை நாம் பெரும்பாலும் சிலந்தி என்று அழைக்கிறோம்) எனவே பிஸியான தொழில்துறை அமைப்புகளில் கூட மின்சாரம் சீராக மாற்றப்படுகிறது.
இது எவ்வாறு செயல்படுகிறது என்பதன் இதயம் அந்த குறுக்கு பிவோட் ஆகும்: இது நுகங்களை சுயாதீனமாக சுழற்ற அனுமதிக்கிறது, இது முறுக்கு வினியோகத்தை சீராக வைத்திருக்கும் போது 25 டிகிரி வரை தண்டு சாய்வதற்கு உதவுகிறது. இந்த உயர்-முறுக்கு உலகளாவிய கூட்டு இணைப்பு சுழற்சி வேக மாற்றங்களை குறைந்தபட்சமாக வைத்திருக்கிறது-குறிப்பாக இது இரட்டை கூட்டு வடிவமைப்பாக இருக்கும் போது-எனவே ரோலிங் மில் செயல்பாடுகளுக்கு நம்பகமான ஹெவி-டூட்டி யுனிவர்சல் கூட்டு இணைப்பு தேவைப்படும் வேலைகளுக்கு இது சரியானது. Raydafon இன் SWC தொடரில், இந்த பொறிமுறையை இன்னும் சிறப்பாகச் செய்ய ஒரு ஒருங்கிணைந்த ஃபோர்க் ஹெட் வடிவமைப்பைச் சேர்த்துள்ளோம்: இது போல்ட்கள் தளர்வது போன்ற பிரச்சனைகளில் இருந்து விடுபடுகிறது, கட்டமைப்பு வலிமையை 30%-50% அதிகரிக்கிறது, மேலும் அதிக அழுத்தம் உள்ள இடங்களில் நீண்ட காலம் நீடிக்க உதவுகிறது.
இந்த கொள்கை சிறந்த சுமை தாங்கும் திறனையும் ஆதரிக்கிறது. இணைப்பானது 0.15 முதல் 1000 kN·m வரையிலான பெயரளவிலான முறுக்குகளைக் கையாளுகிறது, φ58 மற்றும் φ620 க்கு இடையில் கைரேஷன் விட்டம் கொண்டது - அதனால்தான் தூக்குதல் மற்றும் பொருள் கையாளுதல் கருவிகளில் நீடித்த SWC உலகளாவிய கூட்டுத் தண்டு இணைப்பானது கடினமான செயல்பாடுகளுக்கு மிகவும் உறுதியான தேர்வாகும். கூடுதலாக, தொழில்துறை உலகளாவிய கூட்டு இணைப்பு 98.6% பரிமாற்ற செயல்திறனைத் தாக்குகிறது, கனரக இயந்திரங்கள் உலகளாவிய கூட்டு இணைப்பு அமைப்புகளில் ஆற்றல் பயன்பாட்டைக் குறைக்கிறது.
மேலும் என்ன, Raydafon இன் SWC ஹெவி-டூட்டி யுனிவர்சல் கூட்டு இணைப்பு, மென்மையான செயல்பாட்டின் கொள்கையின் கவனத்துடன் பொருந்தக்கூடிய அம்சங்களைக் கொண்டுள்ளது: இது பரிமாற்றத்தை சீராக வைத்திருக்கிறது, மேலும் சத்தம் 30-40 dB(A) வரை இருக்கும். இது பெரிய ஆற்றல் பரிமாற்றத்திற்கான திறமையான உலகளாவிய கூட்டு இணைப்பாகவும், உயர் ஆற்றல் கொண்ட தொழில்துறை அமைப்புகளுக்கான சிறந்த ஆற்றல் சேமிப்பு உலகளாவிய கூட்டு இணைப்பு தீர்வாகவும் அமைகிறது. மொத்தத்தில், இந்த குறைந்த இரைச்சல் உலகளாவிய கூட்டு இணைப்பு விஷயங்களை அமைதியாக வைத்திருக்கிறது, எனவே சத்தம் கவலைக்குரிய இடங்களில் நம்பகத்தன்மையை இழக்காமல் சிறப்பாக செயல்படுகிறது.
⭐⭐⭐⭐⭐ லி ஜுன், மூத்த பொறியாளர், ஜியாங்சு பவர் எக்யூப்மென்ட் கோ., லிமிடெட்.
நாங்கள் சில மாதங்களாக Raydafon இன் SWC-BF ஸ்டாண்டர்ட் ஃப்ளெக்ஸ் ஃபிளேன்ஜ் வகை யுனிவர்சல் கப்ளிங்கைப் பயன்படுத்துகிறோம், அது சிறப்பாகச் செயல்பட்டு வருகிறது. இந்த இணைப்பின் நெகிழ்வுத்தன்மை மிகவும் தனித்து நிற்கிறது. இதை நிறுவுவது ஒரு மென்மையான செயல்முறையாகும், தந்திரமான படிகள் இல்லை, மேலும் வெல்ட் தரமும் திடமாகத் தெரிகிறது-நிச்சயமாக அது நீடிக்கும் என்று நமக்கு மன அமைதியைத் தருகிறது. விலையைப் பொறுத்தவரை, இது மிகவும் நல்ல மதிப்பு, நீங்கள் கனரக இயந்திரத் துறையில் இருந்தால், இந்த நெகிழ்வான விளிம்பு உலகளாவிய இணைப்பை நான் முற்றிலும் பரிந்துரைக்கிறேன்.
⭐⭐⭐⭐⭐ ஜான் டேவிஸ், மெக்கானிக்கல் இன்ஜினியர், மான்செஸ்டர் இன்ஜினியரிங் லிமிடெட், யுகே
எங்கள் மான்செஸ்டர் வசதியில், Raydafon இன் SWC-BF ஸ்டாண்டர்ட் ஃப்ளெக்ஸ் ஃபிளேன்ஜ் வகை யுனிவர்சல் கப்ளிங்கிற்கான பழைய இணைப்பினை மாற்றினோம், வித்தியாசம் இப்போதே தெளிவாகத் தெரிந்தது. இந்த உலகளாவிய இணைப்பு சக்தியை சீராகவும் திறமையாகவும் நகர்த்துகிறது, நாம் அதை அதிக அழுத்த சூழ்நிலைகளில் இயக்கும்போது கூட-அது ஒருபோதும் விடாது. அதன் கடினமான வடிவமைப்புடன் இணைந்திருக்கும் நெகிழ்வுத்தன்மை, நமது இயந்திரங்களை எந்தத் தடையும் இல்லாமல் இயங்க வைக்கிறது. மேலும், Raydafon எங்களுக்கு விரைவாக டெலிவரி கிடைத்தது, மேலும் அவர்களின் வாடிக்கையாளர் சேவை சிறந்ததாக இருந்தது—முழு கொள்முதல் அனுபவத்தையும் மிகவும் சிறப்பானதாக்கியது. இந்த நம்பகமான ஃப்ளெக்ஸ் ஃபிளேன்ஜ் யுனிவர்சல் இணைப்பை மிகவும் பரிந்துரைக்கிறோம்!
⭐⭐⭐⭐⭐ மேட்டியோ ரோஸ்ஸி, செயல்பாட்டு மேலாளர், மிலன் இண்டஸ்ட்ரியல் சொல்யூஷன்ஸ், இத்தாலி
தவறான சீரமைப்புகளை நன்கு கையாளக்கூடிய உலகளாவிய இணைப்பிற்கான தேடலில் இருந்தோம், மேலும் Raydafon இன் SWC-BF ஸ்டாண்டர்ட் ஃப்ளெக்ஸ் ஃபிளேஞ்ச் வகை யுனிவர்சல் கப்ளிங்கைக் கண்டறிந்தோம். நாங்கள் இப்போது சில வாரங்களாக இதைப் பயன்படுத்துகிறோம், மேலும் இது எங்கள் எல்லா பெட்டிகளையும் சரிபார்க்கிறது என்று என்னால் உறுதியாகச் சொல்ல முடியும். இதை நிறுவுவது எளிதானது, கூடுதல் தொந்தரவு இல்லை, மேலும் சவாலான சூழ்நிலைகளில் அதை வைத்தாலும், அது நிலைத்திருக்கும். விலையில் தரம் சிறப்பாக உள்ளது-நிச்சயமாக எங்கள் இயந்திரங்களுக்கு ஒரு சிறந்த முதலீடு. Raydafon எங்களுக்கு வழங்கிய தயாரிப்பு மற்றும் சேவை இரண்டிலும் நான் மிகவும் மகிழ்ச்சியடைகிறேன்.
Raydafon ஒரு உற்பத்தியாளர் மட்டுமல்ல - நாங்கள் உயர்மட்ட டிரான்ஸ்மிஷன் கூறுகள் மற்றும் தொழில்துறை இயந்திர தீர்வுகளின் முன்னணி சப்ளையர், மேலும் SWC கார்டன் ஷாஃப்ட் யுனிவர்சல் கூட்டு இணைப்பு போன்ற தயாரிப்புகளில் ஆழ்ந்த நிபுணத்துவத்தைப் பெற்றுள்ளோம். எங்கள் மையத்தில் புதுமை மற்றும் தரத்துடன் தொடங்கினோம், காலப்போக்கில், கியர்பாக்ஸ்கள், டிரைவ் ஷாஃப்ட்கள், ஹைட்ராலிக் சிலிண்டர்கள், புல்லிகள் மற்றும் மேம்பட்ட இயந்திரக் கருவிகள் ஆகியவற்றை உள்ளடக்கிய எங்கள் வரிசையை நாங்கள் வளர்த்துள்ளோம் - இவை அனைத்தும் விவசாய மற்றும் கனரகத் தொழில்களின் கடினமான தேவைகளைப் பூர்த்தி செய்யும் வகையில் கட்டமைக்கப்பட்டுள்ளன. எங்கள் உயர் முறுக்கு உலகளாவிய கூட்டு இணைப்பு தீர்வுகள் கவனமாக வடிவமைக்கப்பட்டுள்ளன, முறுக்கு பரிமாற்றங்கள் சீராக மற்றும் தவறான சீரமைப்புகள் சரியாகக் கையாளப்படுகின்றன என்பதை உறுதிப்படுத்துகின்றன - ரோலிங் மில் செயல்பாடுகளுக்கு நம்பகமான ஹெவி-டூட்டி யுனிவர்சல் கூட்டு இணைப்பு தேவைப்படும் வாடிக்கையாளர்களுக்கு அவை கண்டிப்பாக இருக்க வேண்டும்.
எங்கள் உற்பத்தி வசதிகள் அதிநவீனமானவை: எங்களிடம் CNC பட்டறைகள், அரைக்கும் மற்றும் வெப்ப சிகிச்சை கியர் மற்றும் 3D அளவீட்டு அமைப்புகள் உள்ளன. ISO9001/TS16949 போன்ற கடுமையான தரநிலைகளை நாங்கள் கடைபிடிக்கிறோம், எனவே நாங்கள் உருவாக்கும் ஒவ்வொரு தொழில்துறை உலகளாவிய கூட்டு இணைப்பும் துல்லியமானது மற்றும் நீடித்தது. எங்களுடைய நீடித்த SWC யுனிவர்சல் ஜாயிண்ட் ஷாஃப்ட் இணைப்பினை தூக்குதல் மற்றும் பொருள் கையாளுதல் உபகரணங்களில் எடுத்துக் கொள்ளுங்கள், எடுத்துக்காட்டாக - தீவிர சுமை தாங்கும் சக்தி தேவைப்படும் இடங்களுக்கு இது உகந்ததாக உள்ளது. எங்கள் SWC ஹெவி-டூட்டி உலகளாவிய கூட்டு இணைப்பு? இது கனரக இயந்திரங்களின் உலகளாவிய கூட்டு இணைப்பு அமைப்புகளில் உள்ள சிக்கல்களைத் தீர்க்கிறது, அங்கு தீவிர நிலைமைகளின் கீழ் நிலையாக இருப்பது பேச்சுவார்த்தைக்குட்படாது.
உலகளாவிய ரீதியில் நாங்கள் பெரியவர்கள்-எங்கள் தயாரிப்புகளில் 80% அமெரிக்கா, ஜெர்மனி, ஜப்பான், இத்தாலி, மலேசியா, ஆஸ்திரேலியா மற்றும் மத்திய கிழக்கு போன்ற சந்தைகளுக்கு ஏற்றுமதி செய்யப்படுகின்றன. சீனா, தென் கொரியா, யுகே, சிங்கப்பூர், அமெரிக்கா மற்றும் ஸ்பெயின் ஆகிய நாடுகளில் வலுவான நெட்வொர்க்கை நாங்கள் பெற்றுள்ளோம், இது பெரிய ஆற்றல் பரிமாற்ற விருப்பங்களுக்கான தனிப்பயன் திறமையான உலகளாவிய கூட்டு இணைப்பை உருவாக்க உதவுகிறது. 98.6% பரிமாற்றத் திறனைத் தாக்கும் எங்களின் ஆற்றல் சேமிப்பு உலகளாவிய கூட்டு இணைப்பு தீர்வுகள் போன்ற குறிப்பிட்ட தேவைகளுக்கு ஏற்றவாறு இவை வடிவமைக்கப்பட்டுள்ளன - அதிக சக்தி அமைப்புகளில் ஆற்றல் பயன்பாட்டைக் குறைக்கிறது.
நிலைத்தன்மை மற்றும் வாடிக்கையாளர்களை மையமாகக் கொண்ட கண்டுபிடிப்புகள் எங்களுக்கு முக்கியம். அதனால்தான் 30-40 dB(A) க்கு இடையில் சத்தத்தை வைத்திருக்கும் குறைந்த-இரைச்சல் உலகளாவிய கூட்டு இணைப்பு விருப்பங்களை நாங்கள் வழங்குகிறோம் - சத்தம் கவலைக்குரிய தொழில்துறை இடங்களுக்கு ஏற்றது. மேலும் விற்பனைக்குப் பிந்தைய முழு ஆதரவுடன் அனைத்தையும் நாங்கள் காப்புப் பிரதி எடுக்கிறோம். விஷயங்களைச் சரியாகச் செய்வதற்கான எங்கள் அர்ப்பணிப்பு Raydafon ஐ டிரான்ஸ்மிஷன் துறையில் நம்பகமான பங்காளியாக ஆக்குகிறது, நிபுணர்கள் தங்கள் சாதனங்களிலிருந்து சிறந்த செயல்திறன் மற்றும் நம்பகத்தன்மையைப் பெற உதவுகிறது.
முகவரி
Luotuo தொழில்துறை பகுதி, Zhenhai மாவட்டம், Ningbo நகரம், சீனா
டெல்
மின்னஞ்சல்


+86-574-87168065


Luotuo தொழில்துறை பகுதி, Zhenhai மாவட்டம், Ningbo நகரம், சீனா
பதிப்புரிமை © Raydafon Technology Group Co., Limited அனைத்து உரிமைகளும் பாதுகாக்கப்பட்டவை.
Links | Sitemap | RSS | XML | தனியுரிமைக் கொள்கை |
