க்யு ஆர் குறியீடு
எங்களைப் பற்றி
தயாரிப்புகள்
எங்களை தொடர்பு கொள்ள

தொலைபேசி

தொலைநகல்
+86-574-87168065

மின்னஞ்சல்

முகவரி
Luotuo தொழில்துறை பகுதி, Zhenhai மாவட்டம், Ningbo நகரம், சீனா
Raydafon இன் SWC-DH ஷார்ட் ஃப்ளெக்ஸ் வெல்டிங் வகை யுனிவர்சல் கப்ளிங், ஹெவி-டூட்டி கியர்-ரோலிங் மில்ஸ், ஹொயிஸ்ட்கள் மற்றும் ஸ்டீல் ப்ராசஸிங் மெஷின்களில் தவறாக அமைக்கப்பட்ட தண்டுகளை இணைக்க கட்டமைக்கப்பட்டுள்ளது. இது 45 மிமீ முதல் 390 மிமீ வரையிலான கைரேஷன் விட்டம் கொண்ட ஒரு சிறிய குறுகிய நெகிழ்வு உலகளாவிய இணைப்பு ஆகும். தண்டுகள் 25 டிகிரி வரை (கோணத் தவறான சீரமைப்பு) முடக்கப்பட்டிருந்தாலும், அது இன்னும் முறுக்குவிசையை திறமையாக நகர்த்துகிறது—அதிகபட்சம் 1000 kN·m, இது கனரக உபகரணங்களின் சக்தித் தேவைகளுடன் சரியாகப் பொருந்துகிறது.
நாங்கள் அதை அதிக வலிமை கொண்ட 35CrMo எஃகு மூலம் உருவாக்கி நான்கு ஊசி தாங்கு உருளைகளைச் சேர்ப்போம், எனவே அது அதிக சுமைகளின் கீழ் உள்ளது. அதனால்தான் இது தொழில்துறை இயந்திரங்களுக்கான உலகளாவிய இணைப்புகளுக்கான ஒரு திடமான தேர்வாகும், மேலும் சுமைகள் அதிக இடைவிடாது இருக்கும் இடங்களில் கனரக உபகரணங்களைப் பற்றவைக்கும் உலகளாவிய இணைப்புகளாக சிறப்பாக செயல்படுகிறது. அதன் குறுகிய-நெகிழ்வான வடிவமைப்பு அச்சு இயக்கத்திற்கு சிறிய இடமளிக்கும் இயந்திரங்களுக்கு ஏற்றது, கடினமான தொழில்துறை இடங்களுக்கு கடினமான பரிமாற்ற தீர்வை அளிக்கிறது.
Raydafon ISO 9001 சான்றிதழுடன் சீனாவை தளமாகக் கொண்ட உற்பத்தியாளர், எனவே ஒவ்வொரு SWC-DH உலகளாவிய இணைப்புக்கும் கடுமையான தர விதிகளை நாங்கள் கடைபிடிக்கிறோம். கிராஸ் ஷாஃப்ட் அரிப்பை எதிர்த்துப் போராட ஒரு குரோம் பிளேட்டைப் பெறுகிறது, எனவே நிலைமைகள் கடுமையானதாக இருந்தாலும் அது நீடிக்கும். பற்றவைக்கப்பட்ட நுகத்தடி நிறுவலை எளிதாக்குகிறது - தண்டுகளை சரியாக வரிசைப்படுத்துங்கள், மேலும் அது சிறப்பாக செயல்படுகிறது. உலோகம், சுரங்கம் மற்றும் கிரேன் அமைப்புகளில் கியரில் நீங்கள் அதைக் காணலாம், எந்த பிரச்சனையும் இல்லை.
கூடுதலாக, இந்த இணைப்பு வெவ்வேறு அளவுகள் மற்றும் முறுக்கு மதிப்பீடுகளில் வருகிறது. தொழில்துறை இயந்திரங்களுக்கான தனிப்பயன் உலகளாவிய இணைப்பு உங்களுக்குத் தேவைப்பட்டால் - அறுவடை செய்பவர்கள் அல்லது பிற குறிப்பிட்ட கியர்களுக்கு - நாங்கள் அதை உங்கள் தேவைகளுக்கு ஏற்ப மாற்றலாம், மேலும் விலை போட்டித்தன்மையுடன் இருக்கும். இந்த குறுகிய ஃப்ளெக்ஸ் கப்ளிங்கை எப்படிக் குறைப்பது என்பது எங்களிடம் உள்ளது, இதனால் உங்கள் இயந்திரங்கள் ஒட்டுமொத்தமாக நம்பகத்தன்மையுடன் இயங்கும்.
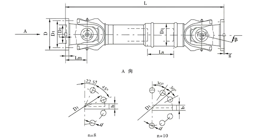
| இல்லை | கைரேஷன் விட்டம் டி மிமீ | பெயரளவு முறுக்கு Tn KN·m | அச்சுகள் மடிப்பு கோணம் β (°) | சோர்வான முறுக்கு Tf KN·m | நெகிழ்வு அளவு Ls மிமீ | அளவு (மிமீ) | சுழலும் மந்தநிலை கி.மீ2 | எடை (கிலோ) | |||||||||||
| Lmin | D1 (js11) | D2 (H7) | D3 | Lm | n-d | k | t | b (h9) | g | Lmin | அதிகரிக்கவும் 100மிமீ | Lmin | அதிகரிக்கவும் 100மிமீ | ||||||
| SWC180DH1 | 180 | 20 | 10 | ≤25 | 75 | 650 | 155 | 105 | 114 | 110 | 8-17 | 17 | 5 | - | - | 0.165 | 0.0070 | 58 | 2.8 |
| SWC180DH2 | 55 | 600 | 0.162 | 56 | |||||||||||||||
| SWC180DH3 | 40 | 550 | 0.160 | 52 | |||||||||||||||
| SWC225DH1 | 225 | 40 | 20 | ≤15 | 85 | 710 | 196 | 135 | 152 | 120 | 20 | 5 | 32 | 9.0 | 0.415 | 0.0234 | 95 | 4.9 | |
| SWC225DH2 | 70 | 640 | 0.397 | 92 | |||||||||||||||
| SWC250DH1 | 250 | 63 | 31.5 | ≤15 | 100 | 795 | 218 | 150 | 168 | 140 | 8-19 | 25 | 6 | 40 | 12.5 | 0.900 | 0.0277 | 148 | 5.3 |
| SWC250DH2 | 70 | 735 | 0.885 | 136 | |||||||||||||||
| SWC285DH1 | 285 | 90 | 45 | ≤15 | 120 | 950 | 245 | 170 | 194 | 160 | 8-21 | 27 | 7 | 40 | 15.0 | 1.876 | 0.0510 | 229 | 6.3 |
| SWC285DH2 | 80 | 880 | 1.801 | 221 | |||||||||||||||
| SWC315DH1 | 315 | 125 | 63 | ≤15 | 130 | 1070 | 280 | 185 | 219 | 180 | 10-23 | 32 | 8 | 40 | 15.0 | 3.331 | 0.0795 | 346 | 8.0 |
| SWC315DH2 | 90 | 980 | 3.163 | 334 | |||||||||||||||
| SWC350DH1 | 350 | 180 | 90 | ≤15 | 140 | 1170 | 310 | 210 | 267 | 194 | 10-23 | 35 | 8 | 50 | 16.0 | 6.215 | 0..2219 | 508 | 15.0 |
| SWC350DH2 | 90 | 1070 | 5.824 | 485 | |||||||||||||||
| SWC390DH1 | 390 | 250 | 125 | ≤15 | 150 | 1300 | 345 | 235 | 267 | 215 | 10-25 | 40 | 8 | 70 | 18.0 | 11.125 | 0.2219 | 655 | |
| SWC390DH2 | 90 | 1200 | 10.763 | 600 | |||||||||||||||
* 1. Tf-அன்டர்னேஷனின் கீழ் சோர்வு வலிமைக்கு ஏற்ப அனுமதிக்கும் முறுக்குவிசையை ஏற்றவும். * 2. Lmin - வெட்டப்பட்ட பிறகு மிகக் குறைந்த நீளம். * 3. L-நிறுவல் நீளம், இது தேவைக்கேற்ப உள்ளது
SWC யுனிவர்சல் கூட்டு இணைப்பு, பெரும்பாலும் SWC கார்டன் ஷாஃப்ட் யுனிவர்சல் கூட்டு இணைப்பு என்று அழைக்கப்படுகிறது, இது கனரக தொழில்துறை சூழ்நிலைகளில் ஒரு முக்கிய அங்கமாகும். உருட்டல் ஆலைகள், தூக்கும் இயந்திரங்கள் மற்றும் பல்வேறு பெரிய அளவிலான கனரக இயந்திர அமைப்புகளுக்கு இது இன்றியமையாதது. உயர் முறுக்கு உலகளாவிய கூட்டு இணைப்பாக, இது இரண்டு டிரான்ஸ்மிஷன் ஷாஃப்ட்களை தற்செயலான அச்சுகளுடன் திறம்பட இணைக்க முடியும், சிக்கலான மற்றும் கடுமையான வேலை நிலைமைகளில் கூட தடையில்லா சக்தி பரிமாற்றத்தை உறுதி செய்கிறது.
இந்த இணைப்பின் முக்கிய தொழில்நுட்ப அளவுருக்கள் பின்வருமாறு:
கைரேஷன் விட்டம்: φ58 - φ620
பெயரளவு முறுக்கு: 0.15 - 1000 kN·m
அச்சு மடிப்பு கோணம்: ≤25°
நடைமுறை பயன்பாடுகளில், இது விதிவிலக்காக சிறப்பாக செயல்படுகிறது. உதாரணமாக, ரோலிங் மில் செயல்பாட்டின் போது, ரோலிங் மில்களுக்கு அர்ப்பணிக்கப்பட்ட ஒரு நம்பகமான ஹெவி-டூட்டி யுனிவர்சல் கூட்டு இணைப்பு தேவைப்படும் போது, அல்லது தூக்கும் மற்றும் பொருள் கையாளும் கருவிகளில், நீடித்த SWC யுனிவர்சல் கூட்டு தண்டு இணைப்பு தேவைப்படும் போது, இந்த தயாரிப்பு முழுமையாக திறமையானது. அதிக சுமைகளின் கீழ் கூட, இது சாதனங்களின் செயல்பாட்டு நிலைத்தன்மையை நிலையானதாக பராமரிக்க முடியும்.
SWC உலகளாவிய கூட்டு இணைப்பு மேம்பட்ட பொறியியல் கொள்கைகளைப் பயன்படுத்தி வடிவமைக்கப்பட்டுள்ளது, தொழில்துறை சூழல்களில் விதிவிலக்கான செயல்திறன் மற்றும் நீண்ட சேவை வாழ்க்கையை வழங்குகிறது. அதன் முக்கிய கட்டமைப்பு அம்சங்கள் பின்வருமாறு:
நியாயமான மற்றும் பாதுகாப்பான அமைப்பு: ஒரு ஒருங்கிணைந்த ஃபோர்க் ஹெட் வடிவமைப்பைக் கொண்டுள்ளது, இந்த தொழில்துறை உலகளாவிய கூட்டு இணைப்பு, போல்ட் தளர்த்துதல் அல்லது உடைப்பு அபாயத்தைக் குறைக்கிறது, மேலும் கட்டமைப்பு வலிமையை 30%-50% அதிகரிக்கிறது. இந்த வடிவமைப்பு பாதுகாப்பான மற்றும் நம்பகமான செயல்பாட்டை உறுதி செய்கிறது, பாரம்பரிய மாதிரிகளுடன் ஒப்பிடும்போது சேவை ஆயுளை நீட்டிக்கிறது, மேலும் கனரக இயந்திரங்கள் உலகளாவிய கூட்டு இணைப்பு அமைப்புகள் போன்ற உயர் அழுத்த சூழ்நிலைகளில் பொதுவான தோல்விகளைத் தடுக்கிறது.
மேம்படுத்தப்பட்ட சுமை தாங்கும் திறன்: SWC ஹெவி-டூட்டி யுனிவர்சல் கூட்டு இணைப்பு குறிப்பாக அதிக சுமைகளைத் தாங்கும் வகையில் வடிவமைக்கப்பட்டுள்ளது, சுரங்க அல்லது கட்டுமான இயந்திரங்கள் போன்ற சிறந்த சுமை மேலாண்மை தேவைப்படும் சூழ்நிலைகளில் இது இன்றியமையாதது.
உயர் பரிமாற்ற திறன்: 98.6% வரை செயல்திறனுடன், உயர்-சக்தி பரிமாற்றத்திற்கான இந்த திறமையான உலகளாவிய கூட்டு இணைப்பு ஆற்றல் நுகர்வு மற்றும் தொடர்புடைய செலவுகளை கணிசமாகக் குறைக்கிறது, இது உயர்-சக்தி தொழில்துறை பரிமாற்ற அமைப்புகளில் ஆற்றல் சேமிப்பு உலகளாவிய கூட்டு இணைப்பு தீர்வுகளுக்கான முதல் தேர்வாக அமைகிறது.
குறைந்த இரைச்சலுடன் நிலையான செயல்பாடு: இந்த குறைந்த-இரைச்சல் உலகளாவிய கூட்டு இணைப்பு பொதுவாக 30-40 dB(A) இடையே இரைச்சல் அளவுகளுடன் நிலையானதாக செயல்படுகிறது, இது அமைதியான செயல்திறனை உறுதி செய்கிறது. அதிக நம்பகத்தன்மையை பராமரிக்கும் அதே வேளையில் சத்தம்-உணர்திறன் சூழல்களுக்கு இது சிறந்தது.
யுனிவர்சல் கூட்டு இணைப்புகள், குறிப்பாக SWC கார்டன் ஷாஃப்ட் யுனிவர்சல் கூட்டு இணைப்பு, அவற்றின் சிறந்த நன்மைகள் காரணமாக தொழில்துறை பயன்பாடுகளில் இன்றியமையாத பரிமாற்ற கூறுகளாக மாறிவிட்டன. கனரக இயந்திரங்கள், துல்லியமான உற்பத்தி மற்றும் ஆற்றல் பரிமாற்றம் போன்ற துறைகளில் அவர்களின் செயல்திறனுடன் முக்கிய தேவைகளை அவர்கள் பூர்த்தி செய்ய முடியும். அவற்றின் முக்கிய நன்மைகள் பற்றிய விரிவான பகுப்பாய்வு கீழே உள்ளது:
1. வலுவான முறுக்கு பரிமாற்றம் மற்றும் சிறந்த தவறான சீரமைப்பு இழப்பீடு
உயர் முறுக்கு உலகளாவிய கூட்டு இணைப்பாக, இது உயர்-சக்தி சுமைகளை நிலையாக கடத்தும். ரோலிங் மில் செயல்பாட்டின் போது தண்டு தவறான சீரமைப்பு அடிக்கடி நிகழும் சூழ்நிலைகளில் கூட - உருளை உடைகள் மற்றும் எஃகு உருட்டலின் போது வெப்பநிலை மாற்றங்கள் போன்றவற்றால் ஏற்படும் அச்சு ஆஃப்செட் போன்றவை - ரோலிங் மில் செயல்பாடுகளுக்கான இந்த நம்பகமான ஹெவி-டூட்டி யுனிவர்சல் கூட்டு இணைப்பு அதை எளிதாகக் கையாளும். இது ஒரே நேரத்தில் கோண, அச்சு மற்றும் ரேடியல் தவறான சீரமைப்புகளுக்கு ஈடுசெய்யும், அதிகபட்ச கோண தவறான சீரமைப்பு 25 டிகிரி வரை இருக்கும். இந்த சிறந்த தவறான சீரமைப்பு தகவமைப்பு தண்டு தவறான அமைப்பால் ஏற்படும் டிரான்ஸ்மிஷன் நெரிசலைத் தடுக்கிறது, தொடர்ச்சியான மற்றும் நிலையான மின் விநியோகத்தை உறுதி செய்கிறது, தீவிர வேலை நிலைமைகளின் கீழ் இயந்திர தோல்விகளின் நிகழ்தகவை கணிசமாகக் குறைக்கிறது மற்றும் உற்பத்தி வரிகளின் தொடர்ச்சியான செயல்பாட்டிற்கு உத்தரவாதம் அளிக்கிறது.
2. அதிக ஆயுள் மற்றும் நீண்ட சேவை வாழ்க்கை
SWC உலகளாவிய கூட்டு இணைப்புகளின் வடிவமைப்பு மற்றும் பொருள் தேர்வு "கடுமையான சுமைகளை எதிர்ப்பது மற்றும் கடுமையான சூழல்களைத் தாங்குதல்" ஆகியவற்றை மையமாகக் கொண்டுள்ளது. முக்கிய உடல் அதிக வலிமை கொண்ட அலாய் ஸ்டீல் மூலம் ஆனது, ஒரு ஒருங்கிணைந்த போர்க் ஹெட் அமைப்புடன் இணைந்து, இது போல்ட் தளர்த்துதல் மற்றும் கூறு உடைப்பு போன்ற பொதுவான தோல்வி புள்ளிகளை அடிப்படையில் குறைக்கிறது. தூக்குதல் மற்றும் பொருள் கையாளுதல் உபகரணங்களில் பயன்படுத்தப்படும் நீடித்த SWC யுனிவர்சல் கூட்டு தண்டு இணைப்பினை உதாரணமாக எடுத்துக் கொண்டால், கனமான பொருட்களை தூக்கும் போது ஏற்படும் உடனடி தாக்க சுமையை இது தாங்கும் மற்றும் தூசி மற்றும் அதிக வெப்பநிலை போன்ற கடுமையான சூழல்களில் நிலையான செயல்திறனை பராமரிக்கும். பாரம்பரிய பிளவு-கட்டமைப்பு இணைப்புகளுடன் ஒப்பிடும்போது, இந்த தொழில்துறை உலகளாவிய கூட்டு இணைப்பு 30%-50% அதிகரித்தது, இது தினசரி பராமரிப்பு அதிர்வெண்ணைக் குறைப்பது மட்டுமல்லாமல், சேவை வாழ்க்கையை 2-3 ஆண்டுகள் நீட்டிக்கிறது. கனரக இயந்திரங்கள் உலகளாவிய கூட்டு இணைப்பு அமைப்புகளின் நீண்ட கால உயர்-சுமை செயல்பாட்டுத் தேவைகளுக்கு இது மிகவும் பொருத்தமானது.
3. உயர் பரிமாற்ற திறன் மற்றும் குறிப்பிடத்தக்க ஆற்றல் சேமிப்பு விளைவு
SWC ஹெவி-டூட்டி யுனிவர்சல் கூட்டு இணைப்பின் பரிமாற்ற திறன் 98.6% வரை அதிகமாக உள்ளது என்று சோதனைகள் காட்டுகின்றன, இது உயர்-சக்தி தொழில்துறை பரிமாற்ற காட்சிகளில் வெளிப்படையான நன்மைகளைக் கொண்டுள்ளது - எஃகு ஆலைகளில் வெடிப்பு உலை விசிறிகள் மற்றும் மின் உற்பத்தி நிலையங்களில் நிலக்கரி கடத்தும் அமைப்புகள் போன்றவை. தொடர்ச்சியான உயர்-சக்தி பரிமாற்றம் தேவைப்படும் உபகரணங்களுக்கு, பெரிய ஆற்றல் பரிமாற்றத்திற்கான இந்த திறமையான உலகளாவிய கூட்டு இணைப்புடன் பொருத்துவது மின் இழப்பைக் குறைக்கும். எரிசக்தி சேமிப்பு உலகளாவிய கூட்டு இணைப்பு தீர்வுகளைத் தொடரும் நிறுவனங்களுக்கு, இந்த உயர் செயல்திறனை நேரடியாக செலவு நன்மைகளாக மாற்றலாம்: உதாரணமாக 1500kW தொழில்துறை மோட்டாரை எடுத்துக் கொண்டால், இது வருடத்திற்கு 12,000 யுவானுக்கு மேல் மின்சார செலவை மிச்சப்படுத்தலாம், மேலும் நிறுவனங்கள் நீண்ட கால ஆற்றல் மற்றும் நுகர்வு மற்றும் நுகர்வு ஆகியவற்றில் கணிசமான இயக்க செலவைக் குறைக்க உதவும். களம்.
4. நிலையான மற்றும் அமைதியான செயல்பாடு, பல காட்சிகளுக்கு ஏற்றது
தாங்கும் பொருத்தத்தின் துல்லியத்தை மேம்படுத்துவதன் மூலமும், குறைந்த உராய்வு குணகத்துடன் மசகு கிரீஸைப் பயன்படுத்துவதன் மூலமும், இந்த குறைந்த-இரைச்சல் உலகளாவிய கூட்டு இணைப்பின் இயக்க இரைச்சல் கண்டிப்பாக 30-40 dB(A) இல் கட்டுப்படுத்தப்படுகிறது, இது தினசரி அலுவலகத்தின் சுற்றுப்புற இரைச்சல் நிலைக்கு சமமானது மற்றும் தொழில்துறை தளத்தின் இரைச்சல் தரநிலைக்கு முழுமையாக இணங்குகிறது. சத்தம் உணர்திறன் சூழ்நிலைகளில்-உணவு பதப்படுத்தும் ஆலைகளில் உற்பத்தி வரிகள் மற்றும் துல்லியமான மின்னணு கூறுகளுக்கான உபகரணங்களை அனுப்புதல் போன்றவை- இது பரிமாற்ற அமைப்பின் நிலைத்தன்மை மற்றும் நம்பகத்தன்மையை உறுதி செய்வது மட்டுமல்லாமல், சத்தம் காரணமாக பணிமனை சூழல் அல்லது பணியாளர்களின் இயக்க அனுபவத்தை பாதிக்காமல் தவிர்க்கலாம். அதே நேரத்தில், நிலையான பரிமாற்ற பண்புகள் உபகரணங்கள் அதிர்வுகளால் ஏற்படும் சுற்றியுள்ள கூறுகளின் தேய்மானத்தையும் குறைக்கலாம், மேலும் முழு உற்பத்தி அமைப்பின் இயக்க நிலைத்தன்மையையும் சேவை வாழ்க்கையையும் மேம்படுத்துகிறது.
SWC-DH ஷார்ட் ஃப்ளெக்ஸ் வெல்டிங் வகை யுனிவர்சல் கப்ளிங், பெரும்பாலும் SWC கார்டன் ஷாஃப்ட் யுனிவர்சல் கூட்டு இணைப்பு என குறிப்பிடப்படுகிறது, இது முக்கியமாக ரோலிங் மில்ஸ் மற்றும் ஹொயிஸ்ட்கள் போன்ற கனரக இயந்திர காட்சிகளில் பயன்படுத்தப்படுகிறது. இந்த வகை உபகரணங்களுக்கு கட்டமைப்பு கச்சிதத்தன்மை மற்றும் நெகிழ்வுத்தன்மைக்கான மிக உயர்ந்த தேவைகள் உள்ளன - இந்த இரண்டு புள்ளிகளையும் சந்திப்பதன் மூலம் மட்டுமே திறமையான செயல்பாட்டை அடைய முடியும், மேலும் இந்த இணைப்பு அத்தகைய தேவைகளை முழுமையாக பூர்த்தி செய்கிறது. உயர் முறுக்கு யுனிவர்சல் கூட்டு இணைப்பாக, இது இரண்டு டிரான்ஸ்மிஷன் ஷாஃப்ட்களை தற்செயலான அச்சுகளுடன் திறம்பட இணைக்க முடியும், கடுமையான தொழில்துறை சூழல்களிலும் தடையற்ற ஆற்றல் பரிமாற்றத்தை உறுதிசெய்கிறது.
நடைமுறைப் பயன்பாடுகளில், ரோலிங் மில் செயல்பாட்டிற்கு நம்பகமான ஹெவி-டூட்டி யுனிவர்சல் கூட்டு இணைப்பு ரோலிங் மில் வேலையின் போது தேவைப்பட்டாலும், அல்லது ஒரு நீடித்த SWC யுனிவர்சல் கூட்டுத் தண்டு இணைப்பு தேவைப்பட்டாலும், இந்த தயாரிப்பு சிறப்பாகச் செயல்படும்-அதிக சுமைகளில் கூட நிலையான சாதன செயல்பாட்டை பராமரிக்க முடியும். அதன் தகவமைப்பு நன்மை குறிப்பாக சிறிய உபகரண அமைப்புகளில் முக்கியமானது, அங்கு இடம் குறைவாக உள்ளது மற்றும் குறுகிய நெகிழ்வான கட்டமைப்பு வடிவமைப்பு தேவைப்படுகிறது.
இந்த SWC-DH தொழில்துறை உலகளாவிய கூட்டு இணைப்பு மேம்பட்ட பொறியியல் தொழில்நுட்பத்துடன் கட்டமைக்கப்பட்டுள்ளது மற்றும் குறிப்பாக தொழில்துறை சூழ்நிலைகளுக்கு செயல்திறன் மற்றும் சேவை வாழ்க்கைக்கு உகந்ததாக உள்ளது. அதன் முக்கிய கட்டமைப்பு அம்சம் அதன் நியாயமான மற்றும் பாதுகாப்பான வடிவமைப்பில் உள்ளது: ஒருங்கிணைந்த ஃபோர்க் ஹெட் அமைப்பு, போல்ட் தளர்த்துதல் அல்லது உடைதல் போன்ற மறைந்திருக்கும் ஆபத்துக்களை அடிப்படையில் நீக்குகிறது, ஒட்டுமொத்த வலிமையை 30%-50% அதிகரிக்கிறது. இந்த வடிவமைப்பு செயல்பாட்டின் பாதுகாப்பு மற்றும் நம்பகத்தன்மையை உறுதி செய்வதோடு மட்டுமல்லாமல், பாரம்பரிய மாடல்களுடன் ஒப்பிடும்போது சேவை வாழ்க்கையை நீட்டிக்கிறது, அதே நேரத்தில் கனரக இயந்திரங்கள் உலகளாவிய கூட்டு இணைப்பு அமைப்புகள் போன்ற உயர் அழுத்த பயன்பாட்டு சூழ்நிலைகளில் பொதுவான தோல்வி சிக்கல்களைத் தவிர்க்கிறது.
கூடுதலாக, அதிக எடையைத் தாங்கும் வகையில் வடிவமைப்பின் மூலம் அதன் சுமை தாங்கும் திறன் மேம்படுத்தப்படுகிறது, எனவே இந்த SWC ஹெவி-டூட்டி யுனிவர்சல் கூட்டு இணைப்பு, சுரங்க இயந்திரங்கள் மற்றும் கட்டுமான உபகரணங்கள் போன்ற சுமை தாங்கும் திறன் மீது கடுமையான தேவைகளைக் கொண்ட காட்சிகளுக்கு மிகவும் பொருத்தமானது. பரிமாற்ற செயல்திறனைப் பொறுத்தவரை, இது 98.6% வரை அடையும். பெரிய ஆற்றல் பரிமாற்றத்திற்கான திறமையான உலகளாவிய கூட்டு இணைப்பாக, இது ஆற்றல் நுகர்வு மற்றும் மின்சார செலவுகளை கணிசமாகக் குறைக்கும், இது உயர்-சக்தி தொழில்துறை பரிமாற்றத் துறையில் ஆற்றல் சேமிப்பு உலகளாவிய கூட்டு இணைப்பு தீர்வுகளுக்கான விருப்பமான தயாரிப்பாக அமைகிறது.
இறுதியாக, இந்த இணைப்பு நிலையான பரிமாற்றத்தைக் கொண்டுள்ளது, இயக்க இரைச்சல் பொதுவாக 30-40 dB(A) இல் கட்டுப்படுத்தப்படுகிறது, இது குறைந்த சத்தம் கொண்ட உலகளாவிய கூட்டு இணைப்பாக அமைகிறது. எல்லா நேரங்களிலும் அதிக நம்பகத்தன்மையைப் பராமரிக்கும் அதே வேளையில், இரைச்சல் உணர்திறன் கொண்ட தொழில்துறை சூழ்நிலைகளில் கூட அமைதியாக செயல்பட இந்த பண்பு அனுமதிக்கிறது.
⭐⭐⭐⭐⭐ வாங் லீ, திட்டப் பொறியாளர், குவாங்டாங் ஹெவி மெஷினரி கோ., லிமிடெட்.
எங்கள் கனரக இயந்திரங்களில் Raydafon's SWC-DH ஷார்ட் ஃப்ளெக்ஸ் வெல்டிங் வகை யுனிவர்சல் கப்ளிங்கை நாங்கள் சிறிது காலமாகப் பயன்படுத்துகிறோம். எங்களுடைய உபகரணங்களில் டிரான்ஸ்மிஷன் பாகங்களுக்கு மிகக் குறைந்த இடமே உள்ளது, ஆனால் இந்த இணைப்பின் கச்சிதமான வடிவமைப்பு கையுறை போல் பொருந்துகிறது, அதைச் செயல்படுத்த மற்ற கூறுகளை மறுசீரமைக்க வேண்டிய அவசியமில்லை.
இன்னும் சிறப்பானது என்னவென்றால், அது அளவுக்கு செயல்திறனை தியாகம் செய்யாது. இது இன்னும் வலுவான, நிலையான முறுக்கு பரிமாற்றத்தை வழங்குகிறது-எங்கள் கனரக செயல்பாடுகளுக்கு முக்கியமானது. நாங்கள் அதை வாரக்கணக்கில் தொடர்ந்து இயக்கி வருகிறோம், மேலும் அசாதாரண அதிர்வு இல்லை; முழு அமைப்பும் சீராக இருக்கும். வெல்டிங் தரம் மற்றொரு சிறப்பம்சமாகும் - அதைப் பார்ப்பதன் மூலம் இது திடமானது என்று நீங்கள் சொல்லலாம், இது நீண்ட கால கனமான பயன்பாட்டைத் தாங்கும் முழு நம்பிக்கையையும் அளிக்கிறது. இடத்தை சேமிக்கும் வடிவமைப்பு மற்றும் நம்பகத்தன்மையை சமநிலைப்படுத்தும் இணைப்பிற்கு, இது ஒரு வெற்றியாளர்.
⭐⭐⭐⭐⭐ ஜாவோ மிங், கொள்முதல் மேலாளர், தியான்ஜின் ஸ்டீல் எக்யூப்மென்ட் கோ., லிமிடெட்.
நாங்கள் சமீபத்தில் Raydafon இலிருந்து பல SWC-DH இணைப்புகளை ஆர்டர் செய்தோம், மேலும் நான் சொல்ல வேண்டும், முழு கொள்முதல் செயல்முறையும் ஒரு காற்று-தலைவலி இல்லை, தாமதம் இல்லை. நாங்கள் ஆர்டரை அனுப்பிய தருணத்திலிருந்து, அவர்களின் குழு பதிலளிக்கக்கூடியதாக இருந்தது, மேலும் திட்டமிடப்பட்ட தேதியில் டெலிவரி காட்டப்பட்டது, இது எங்கள் தயாரிப்பைத் தடமறிவதற்கு ஒரு பெரிய பிளஸ் ஆகும். பேக்கேஜிங்கிலும் முதலிடம் இருந்தது: ஒவ்வொரு இணைப்பும் பாதுகாப்பாக மூடப்பட்டிருக்கும், ஷிப்பிங்கின் போது பற்கள் அல்லது சேதம் எதுவும் இல்லை—அன்பாக்ஸ் செய்து நிறுவ தயாராக உள்ளது.
எங்கள் தொழில்நுட்பக் குழு அமைப்பைக் கையாண்டது, மேலும் ஏற்றுவது எவ்வளவு எளிது என்பதை அவர்கள் உடனடியாகக் குறிப்பிட்டனர். சிக்கலான படிகள் இல்லை, சிறப்பு கருவிகளை வேட்டையாட வேண்டிய அவசியமில்லை-அவர்கள் அதை விரைவாகப் பொருத்தினார்கள், அது அன்றிலிருந்து நம்பகத்தன்மையுடன் இயங்கி வருகிறது. இந்த நிலையான செயல்திறனுடன் இணைக்கப்பட்ட நியாயமான விலையை நீங்கள் காரணியாகக் கொண்டால், இந்த இணைப்பு சிறந்த மதிப்பை வழங்குகிறது என்பது தெளிவாகிறது. நாங்கள் ஏற்கனவே எங்கள் வழக்கமான கொள்முதல் பட்டியலில் வைக்க திட்டமிட்டுள்ளோம்; இது ஒரு வாங்குபவராக எனது வேலையை எளிதாக்கும் வகையிலான தயாரிப்பு.
⭐⭐⭐⭐⭐ லியு ஹாங், பராமரிப்பு இயக்குனர், ஷான்டாங் தொழில்துறை குழுமம்
உபகரணப் பராமரிப்பை மேற்பார்வையிடும் ஒருவராக, வேலையில்லா நேரத்தைக் குறைப்பதும், உதிரிபாகங்களைச் சேவை செய்வதில் எனது குழு செலவிடும் நேரத்தைக் குறைப்பதும்தான் எனது மிகப்பெரிய முன்னுரிமை. Raydafon இன் SWC-DH இணைப்பு அந்த இரண்டு பெட்டிகளையும் சரியாகச் சரிபார்க்கிறது. தினசரி அதிக பணிச்சுமையின் கீழ் இயங்கும் சாதனங்களில் இதைப் பயன்படுத்துகிறோம், அது ஒருபோதும் நழுவவோ அல்லது மாறவோ இல்லை-உறுதியாக இருக்கும், தளர்வான இணைப்புகள் இல்லை. பல மாதங்கள் பயன்பாட்டிற்குப் பிறகும், அணிந்திருப்பதற்கான எந்த அறிகுறியும் இல்லை, இது நாம் முன்பு பயன்படுத்திய மற்ற இணைப்புகளுடன் ஒப்பிடுகையில் இது மிகவும் வித்தியாசமானது.
அந்த பழைய இணைப்புகளுடன், நாங்கள் எப்போதும் விரைவான திருத்தங்கள் அல்லது பகுதி மாற்றங்களைத் திட்டமிடுகிறோம், அவை உற்பத்தி நேரத்தில் சாப்பிட்டு செலவுகளைச் சேர்த்தன. இதுவா? நாங்கள் அதை அரிதாகவே தொடுவதில்லை-அடிக்கடி சேவைகள் இல்லை, எதிர்பாராத முறிவுகள் இல்லை. இது பராமரிப்பில் எங்களுக்கு அதிக நேரத்தையும் பணத்தையும் மிச்சப்படுத்துகிறது, மேலும் அது அதன் வேலையை நம்பகத்தன்மையுடன் செய்கிறது. இந்த நாட்களில், இது நமது அன்றாட நடவடிக்கைகளில் ஒரு அங்கமாகிவிட்டது; அது தோல்வியுற்றதைப் பற்றி நான் கவலைப்பட வேண்டியதில்லை, இது மற்ற முன்னுரிமைகளில் கவனம் செலுத்த அனுமதிக்கிறது. ஒவ்வொரு பராமரிப்பு குழுவிற்கும் தேவைப்படும் நம்பகமான பகுதி இது.
முகவரி
Luotuo தொழில்துறை பகுதி, Zhenhai மாவட்டம், Ningbo நகரம், சீனா
டெல்
மின்னஞ்சல்


+86-574-87168065


Luotuo தொழில்துறை பகுதி, Zhenhai மாவட்டம், Ningbo நகரம், சீனா
பதிப்புரிமை © Raydafon Technology Group Co., Limited அனைத்து உரிமைகளும் பாதுகாக்கப்பட்டவை.
Links | Sitemap | RSS | XML | தனியுரிமைக் கொள்கை |
