க்யு ஆர் குறியீடு
எங்களைப் பற்றி
தயாரிப்புகள்
எங்களை தொடர்பு கொள்ள

தொலைபேசி

தொலைநகல்
+86-574-87168065

மின்னஞ்சல்

முகவரி
Luotuo தொழில்துறை பகுதி, Zhenhai மாவட்டம், Ningbo நகரம், சீனா
ரெய்டாஃபோனின் SWC-WD ஷார்ட் வித்தவுட் ஃப்ளெக்ஸ் ஃபிளேன்ஜ் டைப் யுனிவர்சல் கப்ளிங் கனரக இயந்திரங்களில் முறுக்குவிசையை திறம்பட நகர்த்துவதற்காக கட்டமைக்கப்பட்டுள்ளது—எஃகு உருட்டல் ஆலைகள், கிரேன்கள், தூக்கும் கருவிகள், அந்த ஹெவி-டூட்டி கியர். இது 180 மிமீ முதல் 1320 மிமீ வரையிலான ஜிரேஷன் விட்டம் கொண்ட சிறிய, தொலைநோக்கி அல்லாத ஃபிளேன்ஜ் வடிவமைப்பைக் கொண்டுள்ளது. இந்த குறுகிய விளிம்பு யுனிவர்சல் இணைப்பு 15 டிகிரி வரை கோணத் தவறான சீரமைப்புகளையும் 16000 kN·m வரை முறுக்குவிசையையும் கையாளும், எனவே அதிக இடமில்லாத இறுக்கமான இடங்களிலும், இது சக்தியை நம்பகத்தன்மையுடன் பரிமாற்றம் செய்கிறது. அதிக வலிமை கொண்ட 35CrMo எஃகிலிருந்து, போல்ட் தேவையில்லாத தாங்கி அமைப்புடன், கனரக இயந்திரங்களுக்கான உலகளாவிய இணைப்புகளுக்கும், தொழில்துறை பயன்பாடுகளுக்கான தொலைநோக்கி அல்லாத உலகளாவிய இணைப்புகளுக்கும் ஏற்றது. இதற்கு அதிக பராமரிப்பு தேவையில்லை மற்றும் எப்போதும் நீடிக்கும், இது கடினமான அமைப்புகளில் உங்களுக்குத் தேவையானது.
சீனாவில் எங்கள் உற்பத்தி ISO 9001 தரநிலைகளைப் பின்பற்றுகிறது, எனவே SWC-WD உலகளாவிய இணைப்பு கடுமையான நிலையில் உள்ளது. குறுக்கு தண்டு அரிப்பை எதிர்க்க குரோம் பூசப்பட்டது, அதன் கடினத்தன்மையை அதிகரிக்கிறது. அதன் உறுதியான, பற்றவைக்கப்பட்ட விளிம்பு வடிவமைப்பு, குறிப்பாக உலோகம் மற்றும் சுரங்க உபகரணங்களில், அச்சு இயக்கம் மிகவும் குறைவாக இருக்கும் நிறுவலை ஒரு தென்றலாக ஆக்குகிறது. உங்கள் தேவைகளுக்கு ஏற்ப அளவை நாங்கள் தனிப்பயனாக்கலாம், எனவே இந்த நீடித்த குறுகிய உலகளாவிய இணைப்பு கிரேன் அமைப்புகள் மற்றும் பிற கனரக வேலைகளுக்கான தனிப்பயன் உலகளாவிய இணைப்புகளாக சிறப்பாக செயல்படுகிறது. மேலும் விலையும் போட்டியாக உள்ளது. Raydafon இன் துல்லியமான கைவினைத்திறன் என்பது குறைந்த வேலையில்லா நேரம் மற்றும் அதிக நம்பகமான உபகரணங்களைக் குறிக்கிறது-உலகெங்கிலும் உள்ள தொழில்துறை ஆபரேட்டர்கள் நம்பக்கூடிய ஒன்று.
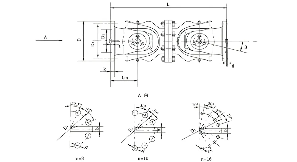
| இல்லை | கைரேஷன் விட்டம் டி மிமீ | பெயரளவு முறுக்கு Tn KN·m | அச்சுகள் மடிப்பு கோணம் β (°) | சோர்வான முறுக்கு Tf KN·m | அளவு (மிமீ) | எடை (கிலோ) | |||||||||
| Lmin | D1 (js11) | D2 (H7) | Lm | n-d | k | t | b (h9) | g | Lmin | அதிகரிக்கவும் 100மி.மீ | |||||
| SWC180WD | 180 | 12.5 | 6.3 | ≤25 | 440 | 155 | 105 | 110 | 8-17 | 17 | 5 | - | - | 0.145 | 52 |
| SWC225WD | 225 | 40 | 20 | ≤15 | 480 | 196 | 135 | 120 | 8-17 | 20 | 5 | 32 | 9.0 | 0.355 | 82 |
| SWC250WD | 250 | 63 | 31.5 | 560 | 218 | 150 | 140 | 8-19 | 25 | 6 | 40 | 12.5 | 0.831 | 127 | |
| SWC285WD | 285 | 90 | 45 | 640 | 245 | 170 | 160 | 8-21 | 27 | 7 | 40 | 15.0 | 1.715 | 189 | |
| SWC315WD | 315 | 125 | 63 | 720 | 280 | 185 | 180 | 10-23 | 32 | 8 | 40 | 15.0 | 2.820 | 270 | |
| SWC350WD | 350 | 180 | 90 | 776 | 310 | 210 | 194 | 10-23 | 35 | 8 | 50 | 16.0 | 4.791 | 370 | |
| SWC390WD | 390 | 250 | 125 | 860 | 345 | 235 | 215 | 10-25 | 40 | 8 | 70 | 18.0 | 8.229 | 524 | |
| SWC440WD | 440 | 355 | 180 | 1040 | 390 | 255 | 260 | 16-28 | 42 | 10 | 80 | 20.0 | 15.320 | 798 | |
| SWC490WD | 490 | 500 | 250 | 1080 | 435 | 275 | 270 | 16-31 | 47 | 12 | 90 | 22.5 | 25.740 | 1055 | |
| SWC550WD | 550 | 710 | 355 | 1220 | 492 | 320 | 305 | 16-31 | 50 | 12 | 100 | 22.5 | 46.780 | 1524 | |
| SWC620WD | 620 | 1000 | 500 | 1360 | 555 | 380 | 340 | 10-38 | 55 | 12 | 100 | 25.0 | 83.760 | 2120 | |
* 1. Tf-அன்டர்னேஷனின் கீழ் சோர்வு வலிமைக்கு ஏற்ப அனுமதிக்கும் முறுக்குவிசையை ஏற்றவும்.
Raydafon இன் SWC யுனிவர்சல் கூட்டு இணைப்பு-பொதுவாக SWC கார்டன் ஷாஃப்ட் யுனிவர்சல் கூட்டு இணைப்பு என்று அழைக்கப்படுகிறது- இது ஒரு பகுதி மட்டுமல்ல; ரோலிங் மில்கள், ஏற்றிச் செல்லும் கருவிகள் மற்றும் அனைத்து வகையான கடினமான கனரக இயந்திர அமைப்புகள் போன்ற கனரக தொழில்துறை துறைகளில் இது கட்டாயம் இருக்க வேண்டும். உயர்-முறுக்கு உலகளாவிய கூட்டு இணைப்பாக, இது இரண்டு டிரான்ஸ்மிஷன் ஷாஃப்ட்களை இணைக்கும் ஒரு திடமான வேலையைச் செய்கிறது, அவை சரியாக சீரமைக்கப்படவில்லை, வேலை நிலைமைகள் மிகவும் கடுமையானதாக இருந்தாலும் மின்சாரம் சீராக வழங்கப்படுவதை உறுதி செய்கிறது.
அதன் முக்கிய விவரக்குறிப்புகளைப் பற்றி பேசலாம்: கைரேஷன் விட்டம் φ58 முதல் φ620 வரை இருக்கும், பெயரளவு முறுக்கு 0.15 முதல் 1000 kN·m வரை செல்கிறது, மற்றும் அச்சு மடிப்பு கோணம் 25 ° க்கு மேல் இல்லை.
ரோலிங் மில் செயல்பாடுகளுக்கு நம்பகமான ஹெவி-டூட்டி யுனிவர்சல் ஜாயின்ட் கப்ளிங் அல்லது லிஃப்டிங் மற்றும் மெட்டீரியல் ஹேண்ட்லிங் உபகரணங்களில் நீடித்த SWC யுனிவர்சல் ஜாயிண்ட் ஷாஃப்ட் இணைப்பு தேவைப்படும்போது, குறிப்பிட்ட இடங்களில் இந்த இணைப்பு சிறப்பாகச் செயல்படுகிறது. இந்த சந்தர்ப்பங்களில், அது அதன் வலிமையைக் காட்டுகிறது: பெரிய அழுத்தங்களின் கீழ் கூட, அது செயல்பாடுகளை சீராக வைத்திருக்கிறது, குழப்பம் அல்லது முறிவுகள் இல்லை.
Raydafon இன் SWC யுனிவர்சல் ஜாயிண்ட் கப்ளிங் ஒன்றுடன் ஒன்று சேர்க்கப்படவில்லை - இது ஸ்மார்ட், புதுப்பித்த பொறியியலைக் கொண்டு சிறப்பாகச் செயல்படவும், தொழில்துறை பயன்பாட்டில் நீண்ட காலம் நீடித்திருக்கவும் உருவாக்கப்பட்டுள்ளது. அதன் கட்டமைப்பை தனித்து நிற்க வைப்பதன் மூலம் நடப்போம்.
முதலில், இது ஒரு நியாயமான மற்றும் பாதுகாப்பான உள்ளமைவைக் கொண்டுள்ளது: இந்தத் தொழில்துறை உலகளாவிய கூட்டு இணைப்பிற்கு ஒரு ஒருங்கிணைந்த ஃபோர்க் ஹெட் வடிவமைப்பைப் பயன்படுத்தினோம், இது போல்ட்கள் தளர்வது அல்லது உடைவது போன்ற அபாயங்களைக் குறைக்கிறது. அந்த மாற்றமே ஒட்டுமொத்தமாக 30%-50% உறுதியானதாக ஆக்குகிறது, எனவே இது பாதுகாப்பாகவும் தொடர்ந்தும் இயங்குகிறது. வழக்கமான இணைப்புகளுடன் ஒப்பிடும்போது, இது நீண்ட காலம் நீடிக்கும், மேலும் கடினமான வேலைகளில் நீங்கள் பார்க்கும் கனரக இயந்திரங்கள் உலகளாவிய கூட்டு இணைப்பு அமைப்புகள் போன்ற உயர்-பதற்ற இடங்களில் பொதுவான சிக்கல்களைத் தவிர்க்கிறது.
அதன் மேம்பட்ட சுமை தாங்கும் திறன் உள்ளது: இந்த SWC ஹெவி-டூட்டி யுனிவர்சல் கூட்டு இணைப்பு பெரிய எடைகளைக் கையாளும் வகையில் உருவாக்கப்பட்டுள்ளது, எனவே சுரங்க கியர் அல்லது கட்டுமான இயந்திரங்கள் போன்ற உயர்தர சுமை கையாளுதல் தேவைப்படும் இடங்களில் இது கட்டாயம் இருக்க வேண்டும்.
இது 98.6% வரை அதிக ஒலிபரப்புத் திறனையும் பெறுகிறது. பெரிய ஆற்றல் பரிமாற்றத்திற்கான திறமையான உலகளாவிய கூட்டு இணைப்பாக, இது ஆற்றல் பயன்பாடு மற்றும் அதனுடன் வரும் செலவுகளைக் குறைக்கிறது. அதனால்தான் அதிக சக்தி கொண்ட தொழில்துறை பரிமாற்ற அமைப்புகளில் ஆற்றல் சேமிப்பு உலகளாவிய கூட்டு இணைப்பு தீர்வுகளுக்கான சிறந்த தேர்வாகும்.
மேலும் இது குறைந்த இரைச்சலுடன் சீராக இயங்கும்: பரிமாற்றம் சீராக இருக்கும், மேலும் சத்தம் பொதுவாக 30-40 dB(A) வரை இருக்கும். இந்த குறைந்த இரைச்சல் உலகளாவிய கூட்டு இணைப்பு செயல்பாடுகளை அமைதியாக வைத்திருக்கிறது, இது சத்தம் ஒரு பிரச்சனையாக இருக்கும் தொழில்துறை இடங்களுக்கு சரியானது-அனைத்தும் நம்பகத்தன்மையை உயர் மட்டத்தில் வைத்திருக்கும்.
⭐⭐⭐⭐⭐ ஜாங் வெய், தலைமை பொறியாளர், ஹெனான் மைனிங் எக்யூப்மென்ட் கோ., லிமிடெட்.
எங்கள் சுரங்க இயந்திரங்களில் ஃப்ளெக்ஸ் ஃபிளேன்ஜ் வகை யுனிவர்சல் கப்ளிங் இல்லாமல் Raydafon இன் SWC-WD ஷார்ட்டைப் போட்டு வருகிறோம், அது மிகவும் பொருத்தமாக இருந்தது. அதன் கச்சிதமான வடிவமைப்பு, இறுக்கமான இடங்களுக்குத் தேவையானது, அங்கு அதிக இடமில்லை, மேலும் செயல்பாடுகளை சீராக வைத்திருக்கும் அளவுக்கு கட்டமைப்பானது கடினமானது. கடினமான சூழ்நிலையில் இடைவிடாது இயங்கும் போதும், இந்த இணைப்பு நம்மை ஒருபோதும் வீழ்த்தாது-தோல்விகள் எதுவும் இல்லை. எங்கள் பராமரிப்புக் குழு, அதற்குச் சரிபார்ப்பு தேவையில்லை என்று விரும்புகிறது, அதாவது கூடுதல் தொந்தரவு இல்லாமல் உற்பத்தியை சீராக நகர்த்த முடியும்.
⭐⭐⭐⭐⭐ மைக்கேல் பிரவுன், செயல்பாட்டு மேலாளர், டெக்சாஸ் ஸ்டீல் ஒர்க்ஸ், அமெரிக்கா
எங்கள் டெக்சாஸ் பட்டறை Raydafon இலிருந்து Flex Flange Type Universal Coupling இல்லாமல் SWC-WD Shortஐ ஆர்டர் செய்தது, நேர்மையாக, தரம் எங்களைக் கவர்ந்தது. இணைப்புகள் நன்றாக இயந்திரமயமாக்கப்படுகின்றன, அவற்றை நிறுவுவது ஒரு சிஞ்ச் ஆகும், மேலும் அவை சுமையின் கீழ் கூட நம்பகத்தன்மையுடன் இருக்கும். எனக்கு மிகவும் பிடித்தது எது? விலை மற்றும் செயல்திறனை எவ்வளவு நன்றாக சமன் செய்கிறது - நீங்கள் அடிக்கடி அந்த இனிமையான இடத்தைக் காண முடியாது. இந்த அளவிலான தரத்தை தொடர்ந்து வழங்கும் சப்ளையரைக் கண்டுபிடிப்பது எளிதானது அல்ல, ஆனால் Raydafon அவர்கள் எங்களுக்கு நம்பகமான கூட்டாளர் என்பதை முற்றிலும் நிரூபித்துள்ளது.
⭐⭐⭐⭐⭐ அன்னா முல்லர், பராமரிப்பு மேற்பார்வையாளர், பெர்லின் இண்டஸ்ட்ரியல் சொல்யூஷன்ஸ், ஜெர்மனி
ஃப்ளெக்ஸ் ஃபிளேன்ஜ் வகை யுனிவர்சல் கப்ளிங் இல்லாமல் Raydafon இன் SWC-WD ஷார்ட்டை எங்கள் பெர்லின் உபகரண வரிசையில் வைத்துள்ளோம், மேலும் முடிவுகள் சிறப்பாக உள்ளன. தயாரிப்பு தானே பாறை-திடமாக உணர்கிறது, வெல்டிங் துல்லியமானது-இங்கே தரக்குறைவான வேலை எதுவும் இல்லை-இதுவரை, இது மிகச் சிறப்பாகப் பராமரிக்கப்பட்டு, சிறந்த நிலைத்தன்மையைக் காட்டுகிறது. ஐரோப்பாவில் நாங்கள் பயன்படுத்திய வேறு சில பிராண்டுகளுடன் ஒப்பிடும்போது, இந்த இணைப்பு மிகவும் நம்பகமானது, மேலும் விலையும் மிகவும் போட்டித்தன்மை வாய்ந்தது. மற்ற நிறுவனங்கள் நம்பகமான உலகளாவிய இணைப்புகளைத் தேடினால், நான் Raydafon ஐ முற்றிலும் பரிந்துரைக்கிறேன்.
Raydafon இன் SWC-WD ஷார்ட் இல்லாமல் ஃப்ளெக்ஸ் ஃபிளேன்ஜ் டைப் யுனிவர்சல் கப்ளிங்-பெரும்பாலும் SWC கார்டன் ஷாஃப்ட் யுனிவர்சல் கூட்டு இணைப்பு என்று அழைக்கப்படுகிறது-இறுக்கமான தொழில்துறை இடங்களுக்காக கட்டப்பட்டது, அங்கு இடம் குறைவாக உள்ளது மற்றும் உங்களுக்கு நிலையான நீள வடிவமைப்பு தேவை (தொலைநோக்கி நீட்டிப்பு இல்லை). உயர்-முறுக்கு உலகளாவிய கூட்டு இணைப்பாக, இது சீரமைக்கப்படாத தண்டுகளுக்கு இடையில் முறுக்குவிசையை திறமையாக நகர்த்துகிறது, 25 டிகிரி வரை கோண விலகல்களைக் கையாளுகிறது, மேலும் இது கனமான சூழல்களில் கூட நம்பகமானதாக இருக்கும்.
அதன் முக்கிய அம்சங்களைப் பற்றி பேசலாம்: இது ஒரு சிறிய மற்றும் உறுதியான கட்டமைப்பைக் கொண்டுள்ளது-இந்த குறுகிய, நெகிழ்வுத்தன்மையற்ற விளிம்பு அமைப்பு, ரோலிங் மில் செயல்பாடுகளுக்கான நம்பகமான ஹெவி-டூட்டி உலகளாவிய கூட்டு இணைப்பாக அமைகிறது, அச்சு இயக்கம் குறைவாக இருக்கும் அமைப்புகளில் கூடுதல் நிலைத்தன்மையை அளிக்கிறது. அதனால்தான் கடினமான இயந்திரங்களில் நிலையான தூர இணைப்புகளுக்கு இது நன்றாக வேலை செய்கிறது. அதன் உயர் சுமை தாங்கும் திறன் உள்ளது: அதை உருவாக்க வார்ப்பிரும்பு அல்லது அலாய் ஸ்டீல் போன்ற கடினமான பொருட்களைப் பயன்படுத்துகிறோம், எனவே இது தூக்கும் மற்றும் பொருள் கையாளும் கருவிகளில் நீடித்த SWC உலகளாவிய கூட்டுத் தண்டு ஆகும். இது பெரிய எடையைக் கொண்டுள்ளது மற்றும் அதே விட்டம் கொண்ட மற்ற இணைப்புகளை விட அதிக முறுக்குவிசையை கடத்துகிறது, இது சுரங்க அல்லது கட்டுமான கியரில் அதிக சுமைகளுக்கு ஏற்றதாக அமைகிறது.
இந்த தொழில்துறை உலகளாவிய கூட்டு இணைப்பு தவறான சீரமைப்புக்கு நன்றாக ஈடுசெய்கிறது-அது கோண, இணை அல்லது அச்சு தவறான சீரமைப்பு, இது சுழற்சி வேகம் அல்லது முறுக்கு பரிமாற்றத்துடன் குழப்பமடையாது. அதாவது கனரக இயந்திரங்கள் உலகளாவிய கூட்டு இணைப்பு அமைப்புகளில் மென்மையான செயல்பாடு. மேலும் இது பவர் டிரான்ஸ்மிஷனில் திறமையானது: 98.6% செயல்திறன் வரை, இந்த SWC ஹெவி-டூட்டி யுனிவர்சல் கூட்டு இணைப்பு ஆற்றல் இழப்பைக் குறைவாக வைத்திருக்கிறது, இது உயர்-சக்தி தொழில்துறை அமைப்புகளில் பெரிய ஆற்றல் பரிமாற்றத்திற்கான திறமையான உலகளாவிய கூட்டு இணைப்பாக அமைகிறது.
கூடுதலாக, இது ஆற்றலைச் சேமிக்கவும் அமைதியாக இயங்கவும் வடிவமைக்கப்பட்டுள்ளது—உங்களுக்கு ஆற்றல் சேமிப்பு உலகளாவிய கூட்டு இணைப்புத் தீர்வுகள் தேவைப்பட்டால், இது ஒரு சிறந்த தேர்வாகும், செயல்பாட்டுச் செலவுகளைக் குறைக்கும். மேலும் இது 30-40 dB(A) க்கு இடையில் சத்தத்தை வைத்திருக்கிறது, எனவே இந்த குறைந்த-இரைச்சல் உலகளாவிய கூட்டு இணைப்பு சத்தம் கவலைக்குரிய தொழில்துறை இடங்களில் சரியாக பொருந்துகிறது.
ரோலிங் மில் செயல்பாடுகளுக்கு நம்பகமான ஹெவி-டூட்டி யுனிவர்சல் ஜாயின்ட் கப்ளிங் அல்லது லிஃப்டிங் மற்றும் மெட்டீரியல் கையாளும் கருவிகளில் நீடித்த SWC யுனிவர்சல் ஜாயின்ட் ஷாஃப்ட் இணைப்பு போன்ற குறிப்பிட்ட சூழ்நிலைகளில் இந்த இணைப்பு உண்மையில் ஜொலிக்கிறது. இந்த சந்தர்ப்பங்களில், அதிக சுமைகள் மற்றும் குறைந்த இடவசதியுடன் கூட, இது செயல்பாடுகளை நிலையானதாக வைத்திருக்கிறது, எந்த விக்கல்களும் இல்லை.
தொழில்துறை உலகளாவிய கூட்டு இணைப்பு பயன்பாடுகள் என்று வரும்போது, எங்கள் SWC-WD மாறுபாடு ஸ்மார்ட் இன்ஜினியரிங் மூலம் தனித்து நிற்கிறது, இது சிறப்பாக செயல்படவும் நீண்ட காலம் நீடிக்கும். அதன் முக்கிய கட்டமைப்பைப் பற்றி பேசலாம்: இது ஒரு ஒருங்கிணைந்த ஃபோர்க் ஹெட் வடிவமைப்புடன் நியாயமான, பாதுகாப்பான அமைப்பைக் கொண்டுள்ளது - இது போல்ட்கள் தளர்வது அல்லது உடைவது போன்ற பிரச்சனைகளிலிருந்து விடுபடுகிறது, ஒட்டுமொத்த வலிமையை 30% -50% அதிகரிக்கிறது. அதாவது, இது பாதுகாப்பாகவும் நம்பகத்தன்மையுடனும் இயங்குகிறது, பழைய மாதிரிகளை விட நீண்ட காலம் நீடிக்கும், மேலும் கனரக இயந்திரங்கள் உலகளாவிய கூட்டு இணைப்பு அமைப்புகள் போன்ற அதிக அழுத்தம் உள்ள இடங்களில் பொதுவான முறிவுகளைத் தவிர்க்கிறது.
கூடுதலாக, இது அதிக சுமைகளைக் கையாளும் - அதிக எடையை ஆதரிக்க நாங்கள் இதை உருவாக்கினோம், எனவே இந்த SWC ஹெவி-டூட்டி யுனிவர்சல் கூட்டு இணைப்பு, சுரங்க அல்லது கட்டுமான உபகரணங்கள் போன்ற கடினமான சுமை கையாளுதல் தேவைப்படும் இடங்களுக்கு ஏற்றது. இது 98.6% டிரான்ஸ்மிஷன் திறனைத் தாக்கும் சக்தியை மிகத் திறமையாக நகர்த்துகிறது. பெரிய ஆற்றல் பரிமாற்றத்திற்கான திறமையான உலகளாவிய கூட்டு இணைப்பாக, இது ஆற்றல் பயன்பாடு மற்றும் அதனுடன் வரும் செலவுகளைக் குறைக்கிறது, இது உயர்-சக்தி தொழில்துறை பரிமாற்ற அமைப்புகளில் ஆற்றல் சேமிப்பு உலகளாவிய கூட்டு இணைப்பு தீர்வுகளுக்கான சிறந்த தேர்வாக அமைகிறது.
மேலும் இது எந்த சத்தமும் இல்லாமல் சீராக இயங்கும் - பரிமாற்றம் சீராக இருக்கும், மேலும் இரைச்சல் பொதுவாக 30-40 dB(A) வரை இருக்கும். இந்த குறைந்த இரைச்சல் உலகளாவிய கூட்டு இணைப்பு செயல்பாடுகளை அமைதியாக வைத்திருக்கிறது, இது சத்தம் ஒரு பிரச்சனையாக இருக்கும் தொழில்துறை இடங்களுக்கு ஏற்றது, எல்லாமே நம்பகத்தன்மையை உயர் மட்டத்தில் வைத்திருக்கும்.
Raydafon என்பது டிரான்ஸ்மிஷன் பாகங்களில் மற்றொரு பெயர் அல்ல - நாங்கள் உயர் செயல்திறன் கொண்ட டிரான்ஸ்மிஷன் பாகங்கள் மற்றும் தொழில்துறை இயந்திர தீர்வுகளின் முன்னணி உற்பத்தியாளர் மற்றும் சப்ளையர், மேலும் SWC கார்டன் ஷாஃப்ட் யுனிவர்சல் கூட்டு இணைப்பு போன்ற தயாரிப்புகளில் நாங்கள் தீவிர கவனம் செலுத்துகிறோம். உலகளாவிய தொழில்கள் வளர்ச்சியடையும் போது அவற்றைப் பின்பற்றத் தொடங்கினோம், மேலும் காலப்போக்கில், முழு வரிசையையும் நாங்கள் உருவாக்கியுள்ளோம்: கியர்பாக்ஸ்கள், டிரைவ் ஷாஃப்ட்கள், ஹைட்ராலிக் சிலிண்டர்கள், புல்லிகள், துல்லியமான இயந்திரக் கருவிகள் - இவை அனைத்தும் விவசாயம் மற்றும் கனரகத் துறைகள் எவ்வளவு சிறப்பாக இயங்குகின்றன என்பதை அதிகரிக்கச் செய்யப்படுகின்றன. கண்டுபிடிப்புகளில் நாங்கள் பெரியவர்கள், அதனால்தான் ரோலிங் மில் செயல்பாடுகளுக்கு நம்பகமான ஹெவி-டூட்டி யுனிவர்சல் கூட்டு இணைப்புகளை வழங்க முடியும், இது மிகவும் சிக்கலான அமைப்புகளுக்கு கூட தடையின்றி பொருந்தும்.
எங்களின் வசதிகள் மிக உயர்ந்த தரத்தில் உள்ளன - எங்களிடம் CNC பட்டறைகள், அரைக்கும் மற்றும் வெப்ப சிகிச்சை கியர் மற்றும் மேம்பட்ட 3D அளவீட்டு அமைப்புகள் உள்ளன. ISO9001/TS16949 போன்ற கடுமையான தரத் தரங்களுக்கு நாங்கள் ஒட்டிக்கொள்கிறோம், மேலும் அந்த அமைப்பானது உயர் முறுக்கு உலகளாவிய கூட்டு இணைப்பு தீர்வுகளை உருவாக்க உதவுகிறது, அவை முறுக்குவிசையை சிறப்பாக நகர்த்தும் மற்றும் ஒரு சார்பு போன்ற தவறான அமைப்பைக் கையாளுகின்றன. எங்களுடைய நீடித்த SWC யுனிவர்சல் ஜாயிண்ட் ஷாஃப்ட் இணைப்பினை தூக்குதல் மற்றும் பொருள் கையாளுதல் உபகரணங்களில் எடுத்துக் கொள்ளுங்கள், எடுத்துக்காட்டாக, இது கடினமான சுமை தாங்கும் சக்தி தேவைப்படும் இடங்களுக்காகக் கட்டப்பட்டது. மற்றும் நமது தொழில்துறை உலகளாவிய கூட்டு இணைப்பு வரி? துல்லியம் மற்றும் உறுதித்தன்மை மிகவும் முக்கியத்துவம் வாய்ந்த அனைத்து வகையான பயன்பாடுகளையும் இது உள்ளடக்கியது.
நாம் தயாரிப்பதில் எண்பது சதவீதம் ஏற்றுமதி செய்யப்படுகிறது-அமெரிக்கா, ஜெர்மனி, ஜப்பான், இத்தாலி, மலேசியா, ஆஸ்திரேலியா மற்றும் மத்திய கிழக்கு போன்ற இடங்களுக்கு அனுப்பப்படுகிறது. சீனா, தென் கொரியா, இங்கிலாந்து, சிங்கப்பூர், அமெரிக்கா மற்றும் ஸ்பெயினிலும் வலுவான நெட்வொர்க்குகள் எங்களிடம் உள்ளன, எனவே நாங்கள் உலகளவில் உறுதியாக இருக்கிறோம். அந்த அணுகல், தனிப்பயனாக்கப்பட்ட SWC ஹெவி-டூட்டி யுனிவர்சல் கூட்டு இணைப்பு விருப்பங்களை வழங்க உதவுகிறது—அதிக சுமைகளின் கீழ் நிலையானதாக இருக்கும் கனரக இயந்திர யுனிவர்சல் கூட்டு இணைப்பு அமைப்புகளைப் போல, வாடிக்கையாளர்களுக்குத் தேவைப்படுவதைப் போலவே வடிவமைக்கப்பட்டுள்ளது.
வாடிக்கையாளர்களுக்கு முதலிடம் கொடுக்கும் நிலைத்தன்மை மற்றும் தீர்வுகளை உருவாக்குவதில் நாங்கள் அக்கறை கொள்கிறோம். அதனால்தான் ஆற்றல் சேமிப்பு உலகளாவிய கூட்டு இணைப்பு தீர்வுகளை நாங்கள் உருவாக்குகிறோம், அவை 98.6% பரிமாற்ற திறன்-அதிக சக்தி அமைப்புகளில் ஆற்றல் பயன்பாட்டைக் குறைக்கின்றன. பெரிய பவர் டிரான்ஸ்மிஷனுக்கான திறமையான யுனிவர்சல் கூட்டு இணைப்பு அல்லது சத்தம் பிரச்சனை உள்ள தொழில்துறை இடங்களுக்கு குறைந்த சத்தம் கொண்ட உலகளாவிய கூட்டு இணைப்பு தேவைப்பட்டால், எங்கள் தயாரிப்புகள் முழு விற்பனைக்குப் பிந்தைய சேவையுடன் வருகின்றன. இப்படித்தான் டிரான்ஸ்மிஷன் துறையில் நாங்கள் நம்பகமான பங்காளியாகிவிட்டோம் - நாங்கள் உதிரிபாகங்களை மட்டும் விற்கவில்லை, அவற்றை நாங்கள் காப்புப் பிரதி எடுக்கிறோம்.
முகவரி
Luotuo தொழில்துறை பகுதி, Zhenhai மாவட்டம், Ningbo நகரம், சீனா
டெல்
மின்னஞ்சல்


+86-574-87168065


Luotuo தொழில்துறை பகுதி, Zhenhai மாவட்டம், Ningbo நகரம், சீனா
பதிப்புரிமை © Raydafon Technology Group Co., Limited அனைத்து உரிமைகளும் பாதுகாக்கப்பட்டவை.
Links | Sitemap | RSS | XML | தனியுரிமைக் கொள்கை |
