க்யு ஆர் குறியீடு
எங்களைப் பற்றி
தயாரிப்புகள்
எங்களை தொடர்பு கொள்ள

தொலைபேசி

தொலைநகல்
+86-574-87168065

மின்னஞ்சல்

முகவரி
Luotuo தொழில்துறை பகுதி, Zhenhai மாவட்டம், Ningbo நகரம், சீனா
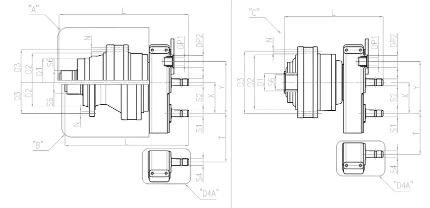
| மாதிரி | PG-702 | பிஜி-1002 | பிஜி-1602 | பிஜி-1802 | PG-2502 | PG-3002 | PG-3503 | |||
| விகிதம் i | 18.2 | 18.3 | 13.4-33.6 | 15.7-29.9 | 14.6-20-36.2 | 45.3 | 53.7 | |||
| வெளியீட்டு வகை | B | B | B | C | B | C | A | C | C | C |
| D1 |
|
|
|
88HB |
|
88HB | 245F7 | 102H7 | 102H7 | 122HF |
| D2 | 200F7 | 230F7 | 230F7 | 278F7 | 230F | 278F7 | 340F7 | 340F7 | 340F7 | 340F7 |
| D3 | 250 | 295 | 295 | 314 | 295 | 314 | 370 | 370 | 370 | 370 |
| N | ∅15×N°12 | ∅17×N°10 | ∅17×N°10 | ∅15×N°18 | ∅17×N°10 | ∅15×N°18 | ∅17×N°15 | ∅17×N°15 | ∅17×N°15 | ∅17×N°15 |
| L | 646.5 | 627.5 | 693 | 490.5 | 714 | 499.5 | 798.5 | 595.5 | 601 | 680.5 |
| S6 | 70*64 DIN5482 | 80*74 DIN5482 | 100*94 DIN5482 | 80*74 DIN5482 | 100*94 DIN5482 | 80*74 DIN5482 | 100*94 DIN5482 | 100*94 DIN5482 | 100*94 DIN5482 | 120*22*5 DIN5482 |
| S1 | 1" 3/8 Z6 | 1" 3/8 Z6 | 1" 3/8 Z6 | 1" 3/8 Z6 | 1" 3/8 Z6 | 1" 3/8 Z6 | 1" 3/8 Z6 | 1" 3/8 Z6 | 1" 3/8 Z6 | 1" 3/8 Z6 |
| S2 | 1" 3/8 Z6 | 1" 3/8 Z6 | 1" 3/8 Z6 | 1" 3/8 Z6 | 1" 3/8 Z6 | 1" 3/8 Z6 | 1" 3/8 Z6 |
|
|
|
| DP1 | 40*36 DIN5482 | 40*36 DIN5482 | 40*36 DIN5482 | 40*36 DIN5482 | 40*36 DIN5482 | 40*36 DIN5482 | 40*36 DIN5482 | 40*36 DIN5482 | 40*36 DIN5482 | 40*36 DIN5482 |
| DP2 | 60.3HB | 60.3HB | 60.3HB | 60.3HB | 60.3HB | 60.3HB | 60.3HB | 60.3HB | 60.3HB | 60.3HB |
| X | 157 | 157 | 157 | 157 | 157 | 157 | 157 | 157 | 157 | 157 |
| Y | 262 | 262 | 262 | 262 | 262 | 262 | 262 | 262 | 262 | 262 |
| S4 |
|
|
|
1" 3/8 Z6 |
|
1" 3/8 Z6 |
|
1" 3/8 Z6 | 1" 3/8 Z6 | 1" 3/8 Z6 |
| T |
|
|
|
156.8 |
|
156.8 |
|
156.8 | 156.8 | 156.8 |
| மாதிரி | விகிதம் i | D1 | D2 | D3 | D4 | N | E |
| பிஜி-1602 | 22.14-33.6 | 80*74 DIN5482 | 225 F7 | 278 F7 | 314 | ∅15×N°18 | SAE B/SAE C |
| PG-2502 | 20-36.2 | 100*94 DIN5482 | 245 F7 | 340F7 | 370 | ∅17×N°15 | SAE B/SAE C |
| மாதிரி | விகிதம் i | D1 | D2 | D3 | N | E |
| பிஜி-161 | 3.55-2.49-5.60 | 40*36 DIN5482 | 110 F7 | 165 | ∅10.5×N°8 | SAE A/SAE B/SAE BB/OMTS |
| பிஜி-251 | 4.13-5.17-6.00 | 58*53 DIN5482 | 150 F7 | 195 | ∅13×N°10 | SAE A/SAE B/SAE BB/OMTS |
| PG-501 | 4.13-5.17-6.00 | 58*53 DIN5482 | 150 F7 | 195 | ∅13×N°10 | SAE A/SAE B/SAE BB/OMTS |
இன் வளர்ச்சிபிஜி சீரிஸ் ஃபீட் மிக்சர் பிளானட்டரி கியர்பாக்ஸ்பாரம்பரிய கலவை உபகரணங்களின் பரிமாற்ற அமைப்பின் வலி புள்ளிகள் பற்றிய ஆழமான பார்வையிலிருந்து உருவாகிறது. அதன் மூன்று கிரக கியர் விநியோகிக்கப்பட்ட டிரான்ஸ்மிஷன் கட்டமைப்பானது இயந்திர கட்டமைப்புகளை அடுக்கி வைப்பது அல்ல, ஆனால் வெவ்வேறு மூலப்பொருட்களின் விகிதங்களின் கீழ் அழுத்த நிலைமைகளை மீண்டும் மீண்டும் உருவகப்படுத்துவதன் மூலம், கியர் மாடுலஸ், பல் அகலம் மற்றும் ஹெலிக்ஸ் கோணம் ஆகியவற்றின் தங்க கலவை இறுதியாக தீர்மானிக்கப்படுகிறது. எடுத்துக்காட்டாக, சோள தண்டுகள் மற்றும் சோயாபீன் உணவு கலவைகளை பதப்படுத்தும் போது, அதன் தனித்துவமான பல் வடிவமைப்பு, பொருள் நெரிசல் ஏற்படும் அபாயத்தை 15% குறைக்கும். உயர் துல்லியமான அரைக்கும் செயல்முறையுடன், பல் மேற்பரப்பு கடினத்தன்மை Ra0.8 க்கு கீழே கட்டுப்படுத்தப்படுகிறது, இது பாரம்பரிய கியர்பாக்ஸுடன் ஒப்பிடும்போது பரிமாற்ற செயல்திறனை 8% -10% அதிகரிக்கிறது. ஒரு நாளைக்கு 12 மணிநேர தொடர்ச்சியான செயல்பாட்டில், இந்த கியர்பாக்ஸின் ஆற்றல் நுகர்வு ஒத்த தயாரிப்புகளை விட 14% குறைவாக உள்ளது, மேலும் கலவை தண்டுகளின் முறுக்கு ஏற்ற இறக்க வீச்சு 22% குறைக்கப்படுகிறது, இது கலவை சீரான தன்மையை கணிசமாக மேம்படுத்துகிறது என்று ஒரு தீவன தொழிற்சாலையின் அளவிடப்பட்ட தரவு காட்டுகிறது.
மணல், கல் மற்றும் உலோகக் குப்பைகள் போன்ற கடினமான துகள்களுக்கு, உணவு மூலப்பொருட்களில் பெரும்பாலும் கலக்கப்படுகிறது, இந்த கியர்பாக்ஸ் பொருட்கள் மற்றும் செயல்முறைகளின் அடிப்படையில் குறிவைக்கப்படுகிறது. கியர் பாடி 20CrMnTi அலாய் ஸ்டீலால் ஆனது. 1.2 மிமீ கார்பரைசிங் ஆழம் கொண்ட சிகிச்சையைத் தணித்த பிறகு, குறைந்த வெப்பநிலை வெப்பநிலை செயல்முறையுடன் இணைந்து, பல் வேர் வளைக்கும் சோர்வு வலிமை 850MPa க்கும் அதிகமாக அதிகரிக்கப்படுகிறது. ஒரு பண்ணையில் முழுமையடையாத மூலப்பொருள் திரையிடலின் தீவிர வேலை நிலைமைகளின் கீழ், அதன் குழி எதிர்ப்பானது தொடர்ச்சியான 500-மணிநேர மணல் மற்றும் சரளை தாக்க சோதனையைத் தாங்கியுள்ளது, மேலும் உரிக்கப்படாமல் பல்லின் மேற்பரப்பில் சிறிய கீறல்கள் மட்டுமே தோன்றின. அதே நேரத்தில், விலா தகடு அமைப்பை மேம்படுத்துவதன் மூலமும், கிரக கேரியரின் ப்ரீலோடைத் தாங்குவதன் மூலமும், கியர்பாக்ஸ் 1.5 மடங்கு முறுக்குவிசையின் உடனடி தாக்கத்திற்கு உட்படுத்தப்படும்போது பரிமாற்ற துல்லியத்தை பராமரிக்க முடியும்.
கியர்பாக்ஸின் புத்திசாலித்தனமான வடிவமைப்பு, தீவனச் செயலாக்கத் துறையில் செயல்பாடு மற்றும் பராமரிப்பின் வலி புள்ளிகள் பற்றிய ஆழமான புரிதலில் இருந்து பெறப்பட்டது. அதன் உள்ளமைக்கப்பட்ட அறிவார்ந்த கண்காணிப்பு தொகுதி ஒரு எளிய தரவு சேகரிப்பான் அல்ல, ஆனால் ஒரு அல்காரிதம் மாதிரி மூலம் வெப்பநிலை, அதிர்வு, மின்னோட்டம் மற்றும் பிற சமிக்ஞைகளின் குறுக்கு பகுப்பாய்வு ஆகும். எடுத்துக்காட்டாக, தாங்கும் வெப்பநிலை அசாதாரணமாக அதிகமாக இருப்பது கண்டறியப்பட்டால், கணினி சுமை வரலாற்றுத் தரவை ஒருங்கிணைத்து, அது போதுமான உயவு அல்லது தாங்கு தேய்மானமா என்பதைத் தீர்மானிக்கும், மேலும் குறிப்பிட்ட பராமரிப்புப் பரிந்துரைகளைத் தள்ளும். இந்த முறையைப் பயன்படுத்திய பிறகு, ஒரு ஃபீட் நிறுவனம் கிரீஸை மாற்றியமைப்பதன் மூலமும், தாங்கும் அனுமதியை முன்கூட்டியே சரிசெய்வதன் மூலமும் மூன்று திட்டமிடப்படாத வேலையில்லா நேரத்தைத் தவிர்த்தது, மேலும் ஒட்டுமொத்த உபகரணத் திறன் (OEE) 18% அதிகரித்தது. கூடுதலாக, அதன் மாடுலர் விரைவு-வெளியீட்டு கட்டமைப்பின் வடிவமைப்பு முன் வரிசை பராமரிப்பு பணியாளர்களின் கருத்துகளால் ஈர்க்கப்பட்டது. கிரக கியர் தொகுப்பின் ஒட்டுமொத்த மாற்றீட்டை முடிக்க நான்கு போல்ட்கள் மட்டுமே தளர்த்தப்பட வேண்டும், மேலும் பராமரிப்பு நேரம் பாரம்பரிய கட்டமைப்பின் 4 மணிநேரத்திலிருந்து 1.5 மணிநேரமாக குறைக்கப்படுகிறது.
சுற்றுச்சூழல் பாதுகாப்பு மற்றும் ஆற்றல் திறன் மேம்படுத்துதல் ஆகியவற்றின் அடிப்படையில், கியர்பாக்ஸின் புதுமையான வடிவமைப்பு, செலவுகளைக் குறைப்பதற்கும் செயல்திறனை அதிகரிப்பதற்கும் தீவனத் துறையின் தேவைகளை துல்லியமாகப் புரிந்துகொள்வதில் இருந்து உருவாகிறது. அதன் வெப்பச் சிதறல் அமைப்பு கண்மூடித்தனமாக வெப்பச் சிதறல் பகுதியை அதிகரிக்காது, ஆனால் திரவ இயக்கவியல் உருவகப்படுத்துதல் மூலம் வெப்பச் சிதறல் விலா எலும்புகளின் சுழல் கோணம் மற்றும் இடைவெளியை மேம்படுத்துகிறது, இதனால் இயற்கையான வெப்பச் சிதறல் திறன் 30% அதிகரிக்கிறது, இதனால் குளிர்விக்கும் விசிறியின் ஆற்றல் நுகர்வு குறைகிறது. உயவு அமைப்பில், பாரம்பரிய கியர்பாக்ஸின் "வெள்ளம்" உயவு முறையைத் தவிர்த்து, மசகு எண்ணெய் நுகர்வு 25% குறைக்க, சுமைக்கு ஏற்ப எண்ணெய் அளவை மாறும் வகையில் சரிசெய்ய இரட்டை மண்டல எண்ணெய் விநியோக தொழில்நுட்பம் ஏற்றுக்கொள்ளப்படுகிறது. ஐரோப்பாவிற்கு ஏற்றுமதி செய்யப்படும் தீவன உற்பத்தி வரிசையின் உண்மையான அளவீடு, கியர்பாக்ஸின் இரைச்சல் அளவு EU தரத்தை விட 5dB குறைவாக இருப்பதைக் காட்டுகிறது, மேலும் அதன் ஆற்றல் திறன் நிலை IE3 தரநிலையை அடைகிறது, இது வாடிக்கையாளர்கள் இறக்குமதி செய்யும் நாட்டின் ஆற்றல் திறன் சான்றிதழை வெற்றிகரமாக கடக்க உதவுகிறது. வணிக மதிப்புடன் தொழில்நுட்ப விவரங்களை ஆழமாக இணைக்கும் இந்த வடிவமைப்பு கருத்து, தயாரிப்பு வென்ற சந்தை அங்கீகாரத்திற்கு முக்கியமாகும்.
வணக்கம்! நான் எலினா கார்சியா, ஸ்பெயினின் பார்சிலோனாவைச் சேர்ந்த வாடிக்கையாளர். ஒன்றரை ஆண்டுகளாக எங்களின் ஒளிமின்னழுத்த பேனல் கண்காணிப்பு அமைப்பில் உங்கள் கிரக கியர்பாக்ஸைப் பயன்படுத்துகிறோம். சூரிய ஒளி கண்காணிப்புத் துல்லியம் குறித்த எங்களின் சிக்கலை இந்தக் கருவி முழுமையாகத் தீர்த்துள்ளது - இதற்கு முன்பு நாங்கள் பயன்படுத்திய கியர்பாக்ஸில் தினமும் காலையிலும் மாலையிலும் சுமார் 5 டிகிரி டிராக்கிங் விலகல் இருக்கும், அதே நேரத்தில் குறியாக்கியுடன் கூடிய உங்கள் கிரக கியர்பாக்ஸ் கண்காணிப்புப் பிழையை 0.5 டிகிரிக்குள் கட்டுப்படுத்த முடியும். முன்பை விட இப்போது ஃபோட்டோவோல்டாயிக் பேனல்களின் சராசரி தினசரி மின் உற்பத்தி 18% அதிகரித்துள்ளது, மேலும் மின்சாரக் கட்டணம் கூட கணிசமாக மெல்லியதாகிவிட்டது. இப்போது இந்த கிரக கியர்பாக்ஸ் கடலோரத்தில் உள்ள ஒளிமின்னழுத்த மின் நிலையத்தில் உப்பு தெளிப்பு மற்றும் பலத்த காற்றின் சோதனையைத் தாங்கியுள்ளது. கியர்பாக்ஸ் வீட்டின் அரிப்பு எதிர்ப்பு பூச்சு விழுந்ததற்கான எந்த அறிகுறிகளையும் காட்டவில்லை, மேலும் உள் கியர் எண்ணெயை முன்பு போல் அடிக்கடி மாற்ற வேண்டிய அவசியமில்லை. எதிர்காலத்தில் மேலும் புதுப்பிக்கத்தக்க ஆற்றல் திட்டங்களில் உங்களுடன் இணைந்து பணியாற்ற நான் எதிர்நோக்குகிறேன்!
நான் ஹான்ஸ் முல்லர், ஜெர்மனியைச் சேர்ந்த மெக்கானிக்கல் இன்ஜினியர். அரை வருடத்திற்கு முன்பு, நான் ரேடாஃபோனின் கிரக கியர்பாக்ஸ்களை உற்பத்தி வரிசை மேம்படுத்தல்களுக்காக வாங்கினேன். அவற்றைப் பயன்படுத்திய பிறகு, அவை என் எதிர்பார்ப்புகளை மீறுகின்றன! அதிக பாகுத்தன்மை கொண்ட மூலப்பொருட்களைச் செயலாக்குவதற்கு, உபகரணங்கள் ஒரு நாளைக்கு 16 மணிநேரம் அதிக சுமையுடன் இயங்குகின்றன. கியர்பாக்ஸ் சத்தம் 20% குறைக்கப்படுகிறது, பரிமாற்ற திறன் 94% க்கும் அதிகமாக நிலையானது, வெப்பநிலை உயர்வு எப்போதும் 25 ° C க்குள் கட்டுப்படுத்தப்படுகிறது, மேலும் நீடித்து நிலைத்திருப்பது பழைய மாடல்களை விட மிக அதிகமாக உள்ளது. ஆரம்ப அளவுரு தேர்வுமுறை, சீல் அமைப்பு சரிசெய்தல் முதல் தொலைநிலை பிழைத்திருத்த வழிகாட்டுதல் வரை உங்கள் குழு தொழில் ரீதியாகவும் திறமையாகவும் செயல்பட்டது. விரிவான வடிவமைப்பு (தூசிப் புகாத முத்திரைகள் மற்றும் தரப்படுத்தப்பட்ட பெருகிவரும் துளைகள் போன்றவை) உண்மையான வேலை நிலைமைகள் பற்றிய ஆழமான புரிதலை மேலும் பிரதிபலிக்கிறது. Raydafon இன் தயாரிப்பு தரம் மற்றும் சேவை நிலை என்னை தயக்கமின்றி நீண்ட கால சப்ளையர்களின் பட்டியலில் சேர்க்க செய்தது, மேலும் எனது சகாக்களுக்கு அதை கடுமையாக பரிந்துரைக்கிறேன்!
நான் பல ஆண்டுகளாக ஒரு பண்ணையை நடத்தி வருகிறேன் மற்றும் பல கியர்பாக்ஸ்களை மாற்றியிருக்கிறேன். ரேடாஃபோனின் கிரக கியர்பாக்ஸைப் பயன்படுத்திய பிறகுதான் கவலையில்லாமல் இருப்பது என்றால் என்ன என்பதை நான் உணர்ந்தேன்! நான் முன்பு பயன்படுத்திய உபகரணங்கள் சிலேஜ் கலக்கும்போது எப்பொழுதும் குறைவாகவே இருக்கும், மேலும் கியர்கள் அடிக்கடி நழுவியது. உங்கள் கிரக கியர்பாக்ஸ் இவ்வளவு சக்தி வாய்ந்ததாக இருக்கும் என்று நான் எதிர்பார்க்கவில்லை. உங்கள் தயாரிப்பு நான் நினைத்ததை விட நிறுவ மிகவும் எளிதானது, மேலும் அதை பராமரிப்பதும் எளிதானது. கடந்த முறை நானே தினசரி ஆய்வு செய்தபோது, கியர்பாக்ஸ் நன்றாக சீல் வைக்கப்பட்டிருப்பதையும், எண்ணெய் கசிவுக்கான எந்த அறிகுறியும் இல்லை என்பதையும் கண்டேன். நான் நிச்சயமாக எதிர்காலத்தில் உங்களுக்கு தொடர்ந்து ஆதரவளிப்பேன் மற்றும் எனது பண்ணையாளர் நண்பர்களுக்கு உங்களை பரிந்துரைக்கிறேன்! ----மார்க் ஜான்சன்
முகவரி
Luotuo தொழில்துறை பகுதி, Zhenhai மாவட்டம், Ningbo நகரம், சீனா
டெல்
மின்னஞ்சல்


+86-574-87168065


Luotuo தொழில்துறை பகுதி, Zhenhai மாவட்டம், Ningbo நகரம், சீனா
பதிப்புரிமை © Raydafon Technology Group Co., Limited அனைத்து உரிமைகளும் பாதுகாக்கப்பட்டவை.
Links | Sitemap | RSS | XML | தனியுரிமைக் கொள்கை |
