க்யு ஆர் குறியீடு
எங்களைப் பற்றி
தயாரிப்புகள்
எங்களை தொடர்பு கொள்ள

தொலைபேசி

தொலைநகல்
+86-574-87168065

மின்னஞ்சல்

முகவரி
Luotuo தொழில்துறை பகுதி, Zhenhai மாவட்டம், Ningbo நகரம், சீனா
நாள் முழுவதும் திரவங்களை நகர்த்தும் பம்ப்கள், இடைவெளிகளை காற்றோட்டமாக வைத்திருக்கும் மின்விசிறிகள் அல்லது இடைவிடாமல் இயங்கும் ஜவுளி உபகரணங்கள் போன்ற இயந்திரங்களை நீங்கள் கையாளுகிறீர்கள் என்றால், சிறிய தவறான அமைப்புகளை கையாளும் அளவுக்கு நெகிழ்வான ஆனால் முறுக்குவிசையை சீராக நகர்த்துவதற்கு போதுமான கடினமான இணைப்பு உங்களுக்குத் தேவை. ரேடாஃபோனின் என்எல் வகை நைலான் கியர் ஃப்ளெக்சிபிள் கப்ளிங்கிற்கு மாற்றாக அதுவே கட்டமைக்கப்பட்டுள்ளது. இது 4 மிமீ அச்சு தவறான சீரமைப்பு மற்றும் 2 டிகிரி கோண தவறான சீரமைப்பு ஆகியவற்றைக் கையாளுகிறது, எனவே உங்கள் தண்டுகள் சரியாக வரிசையாக இல்லாவிட்டாலும், அது உங்கள் கியரைத் தடையின்றி இயங்க வைக்கிறது.
NL1 இலிருந்து NL10 வரையிலான மாடல்கள் எங்களிடம் உள்ளன, எனவே கிட்டத்தட்ட எந்த லைட் முதல் நடுத்தரக் கடமைக்கும் ஏற்றது. முறுக்கு திறன்கள் 40 N·m முதல் 3150 N·m வரை இருக்கும், மற்றும் துளை விட்டம் 6mm முதல் 100mm வரை இருக்கும் - மிக பெரிய அல்லது மிகச் சிறிய அளவை தேட வேண்டிய அவசியமில்லை. இந்த நைலான் கியர் ஃப்ளெக்சிபிள் கப்ளிங்கை தனித்து நிற்க வைப்பது அதன் உருவாக்கம்: எஃகு மையங்களுடன் இணைக்கப்பட்ட அதிக வலிமை கொண்ட நைலான் ஸ்லீவ். அந்த காம்போ என்றால் அது அமைதியாக இயங்குகிறது, மேலும் பராமரிப்புக்காக நீங்கள் அதைத் தொட வேண்டியதில்லை-உங்களை மெதுவாக்குவதற்கு நிலையான சோதனைகள் அல்லது திருத்தங்கள் இல்லை. தொழில்துறை இயந்திரங்களுக்கான நெகிழ்வான கியர் இணைப்புகளுக்கு இது ஒரு பயணமாகும், மேலும் நீங்கள் குறிப்பாக பம்ப்களுடன் பணிபுரிகிறீர்கள் என்றால், இது சுற்றியுள்ள பம்புகளுக்கான மிகவும் நம்பகமான நைலான் ஸ்லீவ் கியர் இணைப்புகளில் ஒன்றாகும். கூடுதலாக, அதன் சிறிய வடிவமைப்பு இறுக்கமான அமைப்புகளுடன் பொருந்துகிறது, மேலும் இது -20°C மற்றும் +70°C இடையே சீராக வேலை செய்கிறது—உங்கள் பணியிடம் குளிர்ச்சியாக இருந்தாலும் அல்லது சூடாக இருந்தாலும் சரி.
Raydafon இல், நாங்கள் சீனாவில் இந்த இணைப்புகளை உருவாக்குகிறோம், மேலும் நாங்கள் ISO 9001 தரநிலைகளுக்கு கண்டிப்பாக ஒட்டிக்கொள்கிறோம்-ஒவ்வொரு பகுதியும் நீடித்தது மற்றும் நீடித்திருக்கத் தயாராக உள்ளதா என்பதை உறுதிப்படுத்த சரிபார்க்கப்படுகிறது. நைலான் ஸ்லீவ் வலிமையானது மட்டுமல்ல, கடத்துத்திறன் இல்லாதது மற்றும் அரிப்பை எதிர்க்கும் திறன் கொண்டது. இது ஈரப்பதமான இடங்கள் அல்லது இரசாயனங்கள் உள்ள பகுதிகளுக்கு கேம்-சேஞ்சர் ஆகும், அங்கு மற்ற இணைப்புகள் துருப்பிடிக்கலாம் அல்லது குறுகியதாக இருக்கலாம் - இது நீண்ட காலம் நீடிக்கும். மேலும் அதன் எளிமையான அமைப்பு அசெம்பிளி மற்றும் பிரித்தெடுப்பதை ஒரு தென்றலாக ஆக்குகிறது: சிக்கலான கருவிகள் இல்லை, நீங்கள் அதை மாற்ற அல்லது பராமரிப்பு செய்ய வேண்டியிருக்கும் போது விரைவாக வேலை செய்யுங்கள். அதனால்தான் இது தனிப்பயன் நைலான் கியர் இணைப்புகளுக்கான சிறந்த தேர்வாகும்-உங்கள் குறிப்பிட்ட அமைப்பிற்கு ஏற்றவாறு நாங்கள் அதை மாற்றியமைக்கலாம்- மேலும் இது நெசவு அல்லது நூற்பு இயந்திரங்களின் நிலையான இயக்கத்தைத் தாங்கும் ஜவுளி உபகரணங்களுக்கான மிகவும் நீடித்த நெகிழ்வான கியர் இணைப்புகளில் ஒன்றாகும்.
நாங்கள் அனைத்து வகையான அளவுகள் மற்றும் ஷாஃப்ட் உள்ளமைவுகளை வழங்குகிறோம், எனவே உங்கள் இயந்திரங்களுக்கு ஏற்றவாறு ஒரு இணைப்பைப் பெறுவீர்கள்—ஒரே அளவு பொருந்தாத விருப்பம் அல்ல. மேலும் நாங்கள் விலையை போட்டித்தன்மையுடன் வைத்திருக்கிறோம், எனவே நீங்கள் தரத்திற்காக அதிக செலவு செய்ய வேண்டியதில்லை. உலகெங்கிலும் உள்ள வணிகங்களுக்கு, இது குறைவான வேலையில்லா நேரத்தையும் (நிறுவுவதும் பராமரிப்பதும் எளிதானது என்பதால்) மற்றும் சிறந்த உபகரணத் திறன்-செயல்பாடுகளை சீராக இயங்க வைப்பதற்குத் தேவையானது.
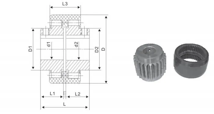
NL வகை நைலான் கியர் நெகிழ்வான இணைப்பின் முக்கிய வேலை தர்க்கம் முறுக்கு பரிமாற்றத்தை அடைய மெஷிங் கியர் பற்களை நம்பியுள்ளது, அதே நேரத்தில் உள்ளே உள்ள நைலான் ஸ்லீவ், ஒரு முக்கிய நெகிழ்வான அங்கமாக, ஷாஃப்ட் அமைப்பின் தவறான சீரமைப்புக்கு திறம்பட ஈடுசெய்வது மட்டுமல்லாமல் அதிர்ச்சிகளை உறிஞ்சுவதில் முக்கிய பங்கு வகிக்கிறது. இந்த கட்டமைப்பு வடிவமைப்பில், வெளிப்புற பற்கள் கொண்ட இரண்டு மையங்கள் உள்ளமைக்கப்பட்ட நைலான் உள் கியர் ஸ்லீவ் மூலம் இணைக்கப்பட்டுள்ளன. இந்த கலவையானது இயந்திர அமைப்புகளில் திறமையான ஆற்றல் பரிமாற்றத்தை உறுதி செய்வதோடு மட்டுமல்லாமல், செயல்பாட்டின் போது உருவாகும் அதிர்வுகளையும் தாக்கங்களையும் கணிசமாகக் குறைக்கிறது. இந்த வடிவமைப்பு நன்மை குறிப்பாக சிறிய மற்றும் நடுத்தர அளவிலான உபகரணங்களுக்கு மாற்றியமைக்கப்பட வேண்டிய NL வகை நைலான் கியர் நெகிழ்வான இணைப்புகளின் பயன்பாட்டு நிகழ்வுகளில் தெளிவாகத் தெரிகிறது.
டிரைவிங் ஷாஃப்ட் ஒரு மையத்திற்கு முறுக்குவிசையை கடத்தும் போது, மையத்தில் உள்ள வெளிப்புற பற்கள் நைலான் உள் கியர் ஸ்லீவின் உள் பற்களுடன் துல்லியமாக இணைக்கும், பின்னர் நைலான் உள் கியர் ஸ்லீவ் இயக்கப்படும் தண்டுடன் இணைக்கப்பட்ட மற்ற மையத்திற்கு சக்தியை சீராக அனுப்பும். ஷாஃப்ட் அமைப்பில் கோண, இணை அல்லது அச்சு தவறான சீரமைப்பு இருக்கும் வேலை நிலைமைகளின் கீழ் கூட, இந்த மெஷிங் டிரான்ஸ்மிஷன் பொறிமுறையானது சாதனங்களின் நிலையான செயல்பாட்டை உறுதிப்படுத்த முடியும். எனவே, தன்னியக்க உற்பத்தி வரிகளின் பரிமாற்ற அமைப்புகள், பம்ப் உபகரணங்களின் மின் இணைப்பு மற்றும் கன்வேயர்களின் ஓட்டுநர் சாதனங்கள் போன்ற நம்பகமான நெகிழ்வான கியர் இணைப்பு தீர்வுகள் தேவைப்படும் துறைகளில், NL வகை நைலான் கியர் நெகிழ்வான இணைப்பு ஒரு விருப்பமான தயாரிப்பு ஆகும்.
NL வகை நைலான் கியர் நெகிழ்வான இணைப்பில் பயன்படுத்தப்படும் நைலான் பொருள் சிறந்த நெகிழ்ச்சி மற்றும் தணிக்கும் பண்புகளைக் கொண்டுள்ளது, இது அதனுடன் இணைக்கப்பட்ட இயந்திர உபகரணங்களின் தேய்மானத்தைக் குறைப்பது மட்டுமல்லாமல், முழு பரிமாற்ற அமைப்பின் சேவை வாழ்க்கையையும் நீட்டிக்க முடியும். ஒரு தொழில்முறை கியர் இணைப்பு தயாரிப்பாளராக, Raydafon மேம்பட்ட பொருட்களைத் தேர்ந்தெடுத்து, NL வகை இணைப்புகளை உற்பத்தி செய்யும் போது உற்பத்தி செயல்முறையை மேம்படுத்துகிறது, பல்வேறு தொழில்களில் சிக்கலான வேலை நிலைமைகளின் கீழ் தயாரிப்புகள் சிறந்த செயல்திறனை பராமரிக்க உதவுகிறது. எடுத்துக்காட்டாக, மாறக்கூடிய சுமைகளைக் கையாளும் சூழ்நிலைகளில், Raydafon ஆல் தயாரிக்கப்படும் NL வகை நைலான் கியர் ஃப்ளெக்சிபிள் கப்ளிங், ஷாஃப்ட் சிஸ்டம் தவறான சீரமைப்பினால் ஏற்படும் டிரான்ஸ்மிஷன் தோல்விகளைத் தவிர்க்கவும், சாதனங்கள் செயல்படாத நேரத்தைக் குறைக்கவும் அதன் சிறந்த தவறான இழப்பீட்டுத் திறனை நம்பியிருக்கும்.
NL வகை நைலான் கியர் நெகிழ்வான இணைப்பினை நிலையான வேலைத் திறனைப் பராமரிக்க, தினசரி பராமரிப்பு இன்றியமையாதது, இதில் கியர் பல் பாகங்களின் வழக்கமான உயவு ஒரு முக்கிய இணைப்பாகும். நியாயமான லூப்ரிகேஷன் கியர் டூத் மெஷிங்கின் போது உராய்வு இழப்பைக் குறைக்கலாம், இணைப்பின் செயல்பாட்டு நிலைத்தன்மையை மேலும் மேம்படுத்தலாம் மற்றும் தோல்விகளின் நிகழ்தகவைக் குறைக்கலாம். பொதுவாக, NL வகை நைலான் கியர் நெகிழ்வான இணைப்பின் செயல்பாட்டுக் கொள்கையானது வலுவான முறுக்கு பரிமாற்றத்தை அடைவதாகும். அனுபவம் வாய்ந்த கியர் இணைப்பு வழங்குனராக, Raydafon எப்போதும் தயாரிப்பு துல்லியம் மற்றும் நம்பகத்தன்மையை கண்டிப்பான தரத்தில் கட்டுப்படுத்துகிறது, இது பல்வேறு தொழில்களில் உள்ள வாடிக்கையாளர்களுக்கு NL வகை நைலான் கியர் நெகிழ்வான இணைப்பு தயாரிப்புகளை வலுவான தகவமைப்பு மற்றும் அதிக நீடித்த தன்மையுடன் வழங்குவதை உறுதி செய்கிறது.
NL வகை நைலான் கியர் ஃப்ளெக்சிபிள் கப்ளிங் குறிப்பாக அதிக செயல்திறன் கொண்ட பயன்பாடுகளுக்காக வடிவமைக்கப்பட்டுள்ளது. இது நிலையான ஆற்றல் பரிமாற்றத்தை உறுதிசெய்கிறது, அதே சமயம் ஷாஃப்ட் தவறான சீரமைப்புகளை நெகிழ்வாக இடமளிக்கிறது, இது நைலான் ஸ்லீவ் கியர் இணைப்புகளின் பிரிவில் மிகவும் போட்டித்தன்மை வாய்ந்த விருப்பமாக அமைகிறது. இந்த இணைப்பின் முக்கிய வடிவமைப்பு சிறப்பம்சமாக அதன் உயர் வலிமை நைலான் ஸ்லீவ் உள்ளது, இது இணைப்பிற்கு சிறந்த மீள் சிதைவு திறனை வழங்குவதோடு மட்டுமல்லாமல் ஒட்டுமொத்த கட்டமைப்பின் நீடித்த தன்மையையும் கணிசமாக அதிகரிக்கிறது. இது நீண்ட காலத்திற்கு செயல்படும் தொழில்துறை உபகரணங்களில் ஒரு முக்கியமான நெகிழ்வான நைலான் ஸ்லீவ் கியர் இணைக்கும் பாகமாக இது மிகவும் பொருத்தமானது.
டார்க் டிரான்ஸ்மிஷன் திறனைப் பொறுத்தவரை, NL வகை நைலான் கியர் ஃப்ளெக்சிபிள் கப்ளிங் சிறந்த செயல்திறனை வழங்குகிறது, அதிக முறுக்கு சுமை தேவைகளை எளிதாகக் கையாளுகிறது. கனரக இயந்திரக் கருவிகள், சுரங்க இயந்திரங்கள் அல்லது பெரிய அளவிலான கன்வேயர் கருவிகளில் எதுவாக இருந்தாலும் - இவை அனைத்தும் ஆற்றல் பரிமாற்றத்தில் அதிக நம்பகத்தன்மையைக் கோருகின்றன - இது பல உயர் முறுக்கு வேலை நிலைமைகளுக்கு விருப்பமான உயர்-முறுக்கு நைலான் கியர் இணைப்பு மாதிரியாக தன்னை நிலைநிறுத்திக் கொள்கிறது. இயந்திர செயல்பாட்டின் போது தண்டு தவறான சீரமைப்பு பற்றிய பொதுவான சிக்கலைத் தீர்க்கும்போது, இந்த நெகிழ்வான நைலான் கியர் இணைப்பு சிறந்த தகவமைப்புத் திறனையும் நிரூபிக்கிறது. இது கோணத் தவறான சீரமைப்பு, இணையான தவறான சீரமைப்பு மற்றும் அச்சு சீரமைப்பு ஆகியவற்றை திறம்பட உறிஞ்சி ஈடுசெய்யும், இதன் மூலம் இணைக்கப்பட்ட தண்டுகளின் கூடுதல் அழுத்தத்தை கணிசமாகக் குறைக்கிறது மற்றும் முழு பரிமாற்ற அமைப்பின் சேவை வாழ்க்கையை நீட்டிக்க உதவுகிறது. நீண்ட கால தொடர்ச்சியான செயல்பாடு தேவைப்படும் உற்பத்தி சாதனங்களுக்கு இந்த அம்சம் மிகவும் முக்கியமானது.
மேலும், NL வகை நைலான் கியர் நெகிழ்வான இணைப்பின் நைலான் பொருள் இயல்பாகவே சிறந்த அதிர்ச்சி உறிஞ்சுதல் மற்றும் தாங்கல் பண்புகளைக் கொண்டுள்ளது. உபகரணங்கள் செயல்பாட்டின் போது, அதிர்வுகள் மற்றும் அதிர்ச்சிகளின் தாக்கத்தை திறம்பட குறைக்கலாம், பரிமாற்ற அமைப்பின் மென்மையான செயல்பாட்டை உறுதி செய்கிறது. இதன் விளைவாக, அடிக்கடி அதிர்வுகளுடன் மாறும் வேலை நிலைமைகளில், இது பல நிறுவனங்களுக்கு விருப்பமான அதிர்ச்சி-உறிஞ்சும் நைலான் கியர் இணைப்பு தீர்வாக மாறியுள்ளது. அரிப்பு எதிர்ப்பின் அடிப்படையில், நைலான் ஸ்லீவின் சிறந்த இரசாயன அரிப்பு எதிர்ப்பிற்கு கூடுதலாக, இந்த இணைப்பின் உலோக கூறுகள் சிறப்பு சிகிச்சைக்கு உட்படுத்தப்படுகின்றன, இது ஈரப்பதமான, தூசி நிறைந்த அல்லது சிறிது அரிக்கும் சூழல்களில் நிலையான செயல்பாட்டை செயல்படுத்துகிறது. பாரம்பரிய விறைப்பான இணைப்புகளுடன் ஒப்பிடுகையில், இது கடுமையான வேலை நிலைமைகளில் வலுவான தகவமைப்புத் திறனை வெளிப்படுத்துகிறது, நீடித்த நைலான் கியர் இணைப்புகளுக்கான தொழில்துறைத் துறையின் தேவைகளை முழுமையாக பூர்த்தி செய்கிறது.
செயல்பாடு மற்றும் பராமரிப்பின் கண்ணோட்டத்தில், NL வகை நைலான் கியர் நெகிழ்வான இணைப்பு பராமரிப்பு இல்லாத வடிவமைப்பை ஏற்றுக்கொள்கிறது. இது அடிக்கடி மசகு எண்ணெய் சேர்ப்பது அல்லது சரிசெய்தல் தேவையை நீக்குகிறது, இது தினசரி பராமரிப்பின் பணிச்சுமையைக் குறைப்பது மட்டுமல்லாமல், முறையற்ற பராமரிப்பினால் ஏற்படும் உபகரணங்கள் செயலிழக்கும் அபாயத்தையும் குறைக்கிறது. இது செயல்பாட்டு செலவுகள் மற்றும் வேலையில்லா நேரத்தை திறம்பட கட்டுப்படுத்துகிறது, குறைந்த பராமரிப்பு நெகிழ்வான கியர் இணைப்புகளுக்கு திறமையான மற்றும் குறைந்த-நுகர்வு உற்பத்தியைத் தொடரும் தொழில்களின் தேர்வு அளவுகோல்களுடன் முழுமையாக ஒத்துப்போகிறது. இதற்கிடையில், அதன் ஒட்டுமொத்த அமைப்பு இலகுரக மற்றும் கச்சிதமானது, எளிய மற்றும் விரைவான நிறுவல் மற்றும் பிரித்தலை எளிதாக்குகிறது. குறைந்த இடவசதி கொண்ட உபகரண அமைப்புகளில் கூட, இந்த கச்சிதமான நைலான் கியர் இணைப்பின் அசெம்பிளியை எளிதாக முடிக்க முடியும், இது உபகரண நிறுவல் மற்றும் பராமரிப்பின் செயல்திறனை மேலும் மேம்படுத்துகிறது.
சுருக்கமாக, NL வகை நைலான் கியர் ஃப்ளெக்சிபிள் கப்ளிங்கை ஒரு டிரான்ஸ்மிஷன் சிஸ்டத்தில் ஒருங்கிணைப்பது, சாதனங்களுக்கு மிகவும் நிலையான மற்றும் திறமையான செயல்பாட்டு ஆதரவை வழங்குகிறது. குறிப்பாக துல்லியமான உற்பத்தித் துறையில், உயர்-துல்லியமான பரிமாற்றம் தேவைப்படும், இந்த உயர் செயல்திறன் நைலான் ஸ்லீவ் கியர் இணைப்பு-அதன் உகந்த வடிவமைப்புடன்- பரிமாற்ற துல்லியம், நம்பகத்தன்மை மற்றும் ஏற்புத்திறன் ஆகியவற்றின் பல கோரிக்கைகளை முழுமையாக பூர்த்தி செய்கிறது, இது சாதனங்களின் ஒட்டுமொத்த செயல்திறனை மேம்படுத்துவதில் ஒரு முக்கிய அங்கமாக செயல்படுகிறது.
NL Type Nylon Gear Flexible Coupling ஆனது, நிலையான ஆற்றல் பரிமாற்றம் தேவைப்படும் அனைத்து வகையான இயந்திர அமைப்புகளுக்கும் ஒரு கோ-டு டிரான்ஸ்மிஷன் பகுதியாக செயல்படுகிறது. நைலான் ஸ்லீவ் தனித்து நிற்கிறது - இது அதிர்வுகளை உறிஞ்சுவதற்கும் சிறிய தண்டு தவறான சீரமைப்புகளை சரிசெய்வதற்கும் சரியாக வளைகிறது, எனவே பாகங்கள் மிக வேகமாக தேய்ந்து போகாமல் நம்பகமான முறுக்கு இயக்கம் தேவைப்படும் எந்த கியர் இணைப்பு பயன்பாட்டிற்கும் இது சரியானது.
உதாரணமாக தொழில்துறை இயந்திரங்களை எடுத்துக் கொள்ளுங்கள். இந்த இணைப்பு மோட்டார்களை பம்ப்கள் அல்லது கம்ப்ரசர்களுடன் இணைக்க சிறந்தது. அந்த இயந்திரங்கள் இயங்கும் போது, அவை அடிக்கடி திடீர் அதிர்ச்சி சுமைகளை கணினி மூலம் அனுப்புகின்றன, ஆனால் NL வகை நைலான் கியர் ஃப்ளெக்சிபிள் கப்ளிங் அந்த தாக்கத்தை எளிதாக்குகிறது, முழு அமைப்பையும் நீண்ட காலம் நீடிக்க உதவுகிறது. மற்றும் கன்வேயர் லைன்களில்—உங்களுக்குத் தெரியும், தொழிற்சாலைகளில் பொருட்களை இடைவிடாமல் நகர்த்துவது—இந்த தொழில்துறை நைலான் ஸ்லீவ் கியர் இணைப்பு, சுமை மாறும்போது கூட விஷயங்களை சீராக இயங்க வைக்கிறது. அடிக்கடி பழுதடையும் பழைய இறுக்கமான இணைப்புகளைப் போலல்லாமல், இது வேலையில்லா நேரத்தையும் பொருட்களை சரிசெய்ய நீங்கள் செலவழிக்கும் பணத்தையும் குறைக்கிறது.
வாகனம் மற்றும் போக்குவரத்து உலகம் இதைப் பயன்படுத்துகிறது, குறிப்பாக டிரைவ் ஷாஃப்ட் மற்றும் ஸ்டீயரிங் பாகங்களுக்கு. கார்கள் மற்றும் டிரக்குகள் நகரும் போது நிறைய முறுக்கு அதிர்வுகளை எதிர்கொள்ள வேண்டியிருக்கும், ஆனால் வாகன இயக்கிகளுக்கான இந்த நெகிழ்வான கியர் இணைப்பு அவற்றை ஊறவைக்கிறது. இது வாகனத்தை சிறப்பாக இயங்க வைப்பது மட்டுமல்லாமல் பாதுகாப்பானதாகவும் செய்கிறது - ஸ்டீயரிங்கை தூக்கி எறிவதோ அல்லது டிரைவ் ரயிலை கீழே அணிவதோ வித்தியாசமான குலுக்கல்கள் இல்லை.
CNC இயந்திரங்கள் அல்லது தொழில்துறை ரோபோக்கள் போன்ற துல்லியமான கியர் இணைப்பு பயன்பாடுகளுக்கு வரும்போது, இந்த இணைப்பு உண்மையில் பிரகாசிக்கிறது. அந்த இயந்திரங்கள் வேகமாகச் சுழலும் மற்றும் அதி துல்லியமான இயக்கம் தேவை, ஆனால் சிறிய தண்டு தவறான சீரமைப்புகள் (கோணங்கள் அல்லது இணையான மாற்றங்கள் போன்றவை) கூட விஷயங்களை குழப்பலாம். NL Type Nylon Gear Flexible Coupling ஆனது அதிக வேகத்துடன் இருக்கும் போது அந்த சிக்கல்களை சரிசெய்கிறது. அதனால்தான், தானியங்கு அசெம்பிளி லைன்களை உருவாக்கும் பல நிறுவனங்கள் இந்த நைலான் கியர் இணைப்பைத் துல்லியமான CNC உபகரணங்களுக்காகத் தங்களுக்குத் தனிப்பயன் அமைப்புகள் தேவைப்படும்போது தேடுகின்றன.
நீங்கள் அதை HVAC அமைப்புகள் மற்றும் நீர் சுத்திகரிப்பு நிலையங்களிலும் காணலாம். அந்த இடங்களில் மின்விசிறிகள் மற்றும் ஊதுகுழல்கள் அதிகம் பயன்படுத்தப்படுகின்றன, மேலும் அந்த பாகங்கள் அதிக அதிர்வு ஏற்பட்டால், அவை சத்தமாகி உடைந்து விடும். HVAC ரசிகர்களுக்கான இந்த அதிர்வு-தணிப்பு நெகிழ்வான கியர் இணைப்பு சத்தத்தைக் குறைக்கிறது மற்றும் சாதனங்கள் சீராக இயங்குகிறது - வெப்பமாக்கல்/குளிரூட்டல் அல்லது நீர் சுத்திகரிப்பு செயல்முறைகளில் எதிர்பாராத நிறுத்தங்கள் எதுவும் இல்லை.
மொத்தத்தில், NL வகை நைலான் கியர் ஃப்ளெக்சிபிள் கப்ளிங் என்பது எந்தவொரு தொழிற்துறைக்கும் பட்ஜெட்டுக்கு ஏற்ற தேர்வாகும். இது கடினமானது, நிறுவ எளிதானது மற்றும் வேலையைச் செய்கிறது. நம்பகமான தொழில்துறை கியர் இணைப்பு சப்ளையரைத் தேடுகிறீர்களானால், உங்கள் சரியான தேவைகளுக்குப் பொருந்தக்கூடிய தனிப்பயன் விருப்பங்களுடன் Raydafon உங்களை கவர்ந்திழுக்கும் - எனவே நீங்கள் சிறந்த செயல்திறன் மற்றும் நீடித்த பகுதியைப் பெறுவீர்கள்.
⭐⭐⭐⭐⭐ வாங் லீ, மெக்கானிக்கல் இன்ஜினியர், குவாங்சூ மெஷினரி கோ., லிமிடெட்.
ரேடாஃபோனின் NL வகை நைலான் கியர் ஃப்ளெக்சிபிள் கப்ளிங்கை எங்களின் அசெம்பிளி லைன்களில் இப்போது சிறிது காலமாக வைத்திருக்கிறோம், மேலும் இது ஒரு நிலையான செயல்திறனாக உள்ளது-நாங்கள் முயற்சித்த மற்ற சில இணைப்புகளை விட நம்பகமான வழி. நைலான் கியர் வடிவமைப்பு இங்கே தனித்து நிற்கிறது: இது முறுக்குவிசையை சீராக நகர்த்துகிறது, எந்த சலசலப்பும் இல்லை, மேலும் இது அதிர்வைக் குறைக்கிறது, இயந்திரங்கள் எவ்வாறு இயங்குகின்றன என்பதில் உள்ள வித்தியாசத்தை நீங்கள் உண்மையில் சொல்ல முடியும்.
நிறுவல் ஒரு மொத்த காற்று, கூட. எங்களின் உபகரணங்களில் எங்களிடம் அதிக இடம் இல்லை, ஆனால் இந்த இணைப்பு பெட்டிக்கு வெளியே சரியாக பொருந்துகிறது-எதையும் மாற்ற வேண்டிய அவசியமில்லை. இது இடைவிடாது இயங்கி வருகிறது, மேலும் தேய்மானத்திற்கான எந்த அறிகுறியும் இல்லை; நீடித்து நிலைத்தன்மை என்பது அடிக்கடி அதை சரிசெய்ய அல்லது மாற்றுவதற்காக உற்பத்தியை நிறுத்தவில்லை. மொத்தத்தில், இது ஒரு திடமான, செலவு குறைந்த தேர்வாகும், அது நமக்குத் தேவையானதைச் செய்கிறது.
⭐⭐⭐⭐⭐ ஜான் ஸ்மித், ஆலை மேலாளர், சிகாகோ இண்டஸ்ட்ரியல் சொல்யூஷன்ஸ், அமெரிக்கா
எங்கள் சிகாகோ வசதியில் Raydafon இன் NL வகை நைலான் கியர் ஒன்றிற்காக எங்களின் பழைய மெட்டல் கப்ளிங்கை மாற்றிக் கொண்டோம், மேலும் மாற்றம் இரவும் பகலும் இருந்தது-நாங்கள் இயந்திரங்களைச் சுட்ட மறு நொடியே அதை நீங்கள் உணரலாம். தளர்வான பாகங்களை அசைக்க பயன்படுத்திய அதிர்வு? போய்விட்டது. பழைய இணைப்பிலிருந்து உரத்த ஓசை? மிகவும் அமைதியாக இருந்ததால் தரை அமைதியானது. மற்றும் சக்தி பரிமாற்றம்? நாம் அதிக சுமைகளை இயக்கும்போது கூட, முடிந்தவரை மென்மையாக்குங்கள்.
மேலும் என்னவென்றால், இதுவரை செய்த உலோகத்தை விட இது தவறான சீரமைப்பைக் கையாளுகிறது - விஷயங்களைத் தொடர்ந்து கண்காணிக்க ஒவ்வொரு வாரமும் அதை மாற்ற வேண்டாம். Raydafon அதை எங்களுக்கும் வேகமாகக் கிடைத்தது; டெலிவரி கால அட்டவணையில் சரியாக இருந்தது, மேலும் தரத்தில் முதலிடம் - மலிவான உதிரிபாகங்கள் அல்லது தரமற்ற வேலை இல்லை. இதைப் பற்றி வேறு சில ஆலை மேலாளர்களிடம் ஏற்கனவே கூறியுள்ளேன்; நீங்கள் சொல்ல விரும்பும் தயாரிப்பு இதுவாகும்.
⭐⭐⭐⭐⭐ அன்னா முல்லர், பராமரிப்பு மேற்பார்வையாளர், முனிச் பொறியியல், ஜெர்மனி
சில மாதங்களுக்கு முன்பு Raydafon இன் NL வகை இணைப்பினை எங்களின் அதிவேக இயந்திரத்தில் வைத்தோம், அது எங்கள் அணிக்கு ஒரு கேம் சேஞ்சராக இருந்தது. நைலான் கியர் மெட்டீரியல் ஒரு புத்திசாலித்தனமான அழைப்பு- இது உலோகத்தைப் போல வேகமாக தேய்ந்து போகாது, எனவே நாங்கள் அடிக்கடி பாகங்களை மாற்றுவதில்லை, மேலும் அது அமைதியாக இருக்கிறது. இது சிறியதாகத் தோன்றலாம், ஆனால் அமைதியான கடை என்றால் அணிக்கு குறைவான சோர்வு மற்றும் நாங்கள் உபகரணங்களைச் சரிபார்க்கும் போது குறைவான கவனச்சிதறல்கள்.
அதிவேக ஓட்டத்துடன் வரும் சிறிதளவு மாற்றங்களைக் கையாளும் அளவுக்கு இது நெகிழ்வானது, ஆனால் அழுத்தத்தின் கீழ் நிலைநிறுத்தும் அளவுக்கு வலுவாக உள்ளது - வளைவு அல்லது உடைத்தல் இல்லை. நிறுவலும் எளிமையாக இருந்தது; எங்கள் தொழில்நுட்பங்கள் ஒரு மணிநேரத்தில் அதை அமைத்துவிட்டன, சிக்கலான வழிமுறைகள் எதுவும் இல்லை. நாங்கள் அதை நிறுவியதில் இருந்து எங்களிடம் குறைவான இயந்திர நிறுத்தங்கள் இருந்தன, மேலும் அனைத்தும் சீராக இயங்கும். Raydafon அவர்கள் நாம் நம்பக்கூடிய ஒரு சப்ளையர் என்று நிரூபிக்கப்பட்டுள்ளது-ஆச்சரியங்கள் இல்லை, நல்ல தயாரிப்புகள்.
⭐⭐⭐⭐⭐ கார்லோஸ் மார்டினெஸ், செயல்பாட்டு இயக்குனர், மாட்ரிட் உற்பத்தி நிறுவனம், ஸ்பெயின்
Raydafon's NL Type Nylon Gear Flexible Coupling சரியாக நாங்கள் தேடும் உயர்தர தயாரிப்பு ஆகும். அதிர்வுகளைக் குறைத்து, செயல்திறனை அதிகரிக்கும் என்ற நம்பிக்கையில் அதை எங்கள் உற்பத்தி வரிசையில் சேர்த்துள்ளோம் - மேலும் இது இரண்டு வகையிலும் வழங்கப்பட்டது, கேள்விகள் எதுவும் கேட்கப்படவில்லை. நைலான் கியர், விஷயங்கள் சீராக இயங்குவதற்கு சரியான அளவு நெகிழ்வுத்தன்மையை அளிக்கிறது, ஆனால் அது வலிமையை தியாகம் செய்யாது-இறுக்கமான காலக்கெடுவை சந்திக்க நாம் வரியைத் தள்ளினாலும் கூட.
இது கச்சிதமானது, இது எங்கள் அமைப்பிற்கு ஒரு பெரிய பிளஸ்; எங்களிடம் அதிக இடம் இல்லை, மேலும் இந்த இணைப்பு மற்ற பகுதிகளை கூட்டாமல் சரியாக பொருந்துகிறது. நாங்கள் இப்போது பல மாதங்களாக இதைப் பயன்படுத்துகிறோம், எந்தச் சிக்கலும் இல்லை - முறிவுகள் இல்லை, வித்தியாசமான சத்தங்கள் இல்லை, நிலையான செயல்திறன். தயாரிப்பு மற்றும் Raydafon இலிருந்து நாங்கள் பெற்ற சிறந்த சேவைக்கு இடையில், நாங்கள் திருப்தி அடைகிறோம். இவர் ஒரு காவலர்.
முகவரி
Luotuo தொழில்துறை பகுதி, Zhenhai மாவட்டம், Ningbo நகரம், சீனா
டெல்
மின்னஞ்சல்


+86-574-87168065


Luotuo தொழில்துறை பகுதி, Zhenhai மாவட்டம், Ningbo நகரம், சீனா
பதிப்புரிமை © Raydafon Technology Group Co., Limited அனைத்து உரிமைகளும் பாதுகாக்கப்பட்டவை.
Links | Sitemap | RSS | XML | தனியுரிமைக் கொள்கை |
