க்யு ஆர் குறியீடு
எங்களைப் பற்றி
தயாரிப்புகள்
எங்களை தொடர்பு கொள்ள

தொலைபேசி

தொலைநகல்
+86-574-87168065

மின்னஞ்சல்

முகவரி
Luotuo தொழில்துறை பகுதி, Zhenhai மாவட்டம், Ningbo நகரம், சீனா
பவர் "ரிலே ரேஸ்": ஃபீட் மிக்சர் கியர்பாக்ஸ் பவர் டிரான்ஸ்மிஷனுக்கான "ரிலே கேப்டன்" போன்றது. மோட்டார் தொடங்கப்பட்ட பிறகு, மின்சாரம் முதலில் கியர்பாக்ஸின் உள்ளீட்டு தண்டுக்கு அனுப்பப்படுகிறது, பின்னர் "வேக மாற்றம்" பெட்டியில் வெவ்வேறு அளவுகளில் உள்ள கியர்களின் குழுவின் மெஷிங் மூலம் அடையப்படுகிறது. எடுத்துக்காட்டாக, உள்ளீட்டு தண்டு நிமிடத்திற்கு 1000 முறை சுழன்றால், கியர் குழு பரிமாற்றத்திற்குப் பிறகு வெளியீட்டு தண்டு 100 முறை மட்டுமே சுழலும், ஆனால் முறுக்குவிசை பெரிதும் மேம்படுத்தப்படுகிறது. இந்த வலுவான சக்தி பின்னர் கலவை தண்டுக்கு அனுப்பப்படுகிறது, கலவை கத்திகள் தீவனத்தை விரைவாக அசைக்க அனுமதிக்கிறது, அதிக நார்ச்சத்து கொண்ட தீவனம் போன்ற "கடினமான பொருட்களை" எளிதில் கையாளுகிறது.
துல்லியமான மெஷிங், குறைக்கப்பட்ட இழப்பு: கியர்பாக்ஸில் உள்ள கியர்கள் சீரற்ற முறையில் பொருந்தவில்லை. Raydafon தயாரித்த கியர்கள், துல்லியமாக கணக்கிடப்பட்டு செயலாக்கப்பட்ட ஒரு பல் வடிவத்தைக் கொண்டுள்ளன, மேலும் ஒரு புதிரின் இரண்டு துண்டுகள் ஒன்றாகப் பொருந்துவது போல, இறுக்கமாகப் பொருந்தும். இந்த வழியில், மின் பரிமாற்றத்தின் போது மிகக் குறைந்த உராய்வு உள்ளது, குறைந்த ஆற்றல் இழப்பு, மற்றும் பெரும்பாலான மின்சாரம் கலவைக்கு பயன்படுத்தப்படலாம். இது ஃபீட் மிக்சரில் "ஆற்றல்-சேமிப்பு மையத்தை" நிறுவுவது போன்றது, இது ஆற்றலை வீணாக்காமல் வேலையை அதிக ஆற்றலுடன் செய்கிறது.
தேவைகளைப் பூர்த்தி செய்ய நெகிழ்வான சரிசெய்தல்: வெவ்வேறு ஊட்டங்கள் மற்றும் வெவ்வேறு கலவை அளவுகளுக்கு வெவ்வேறு வேகங்கள் தேவை. Feed Mixer கியர்பாக்ஸின் அழகு என்னவென்றால், அதை நெகிழ்வாக சரிசெய்ய முடியும். கியர் செட்களின் கலவையை மாற்றுவதன் மூலம், பல்வேறு தேவைகளைப் பூர்த்தி செய்ய வெவ்வேறு வேக விகிதங்களை அடைய முடியும். நீங்கள் சிலேஜ் கலந்து விரைவாக கவனம் செலுத்த விரும்பினால், வேகத்தை அதிகரிக்கவும்; நீங்கள் உடையக்கூடிய மூலப்பொருட்களைக் கையாள விரும்பினால், வேகத்தைக் குறைத்து மெதுவாக கலக்கவும், ஒரு கியர்பாக்ஸ் அனைத்தையும் செய்ய முடியும்.
நிலையான ஆதரவு மற்றும் ஆயுள்: கியர்பாக்ஸ் உடல் முழு பரிமாற்ற அமைப்பின் "பாதுகாவலர்" க்கு சமம். அதிக வலிமை கொண்ட வார்ப்பிரும்பு பொருள், வலுவான மற்றும் அதிர்ச்சி-எதிர்ப்பு, உள் கியர்கள் மற்றும் தாங்கு உருளைகளை நிலையானதாக ஆதரிக்க முடியும். உட்புற தாங்கு உருளைகள் மென்மையான சுழற்சி மற்றும் குறைக்கப்பட்ட உடைகள் ஆகியவற்றிற்காக சிறப்பாக உயவூட்டப்படுகின்றன. தீவன கலவையின் போது அதிர்வுகள் உருவாக்கப்பட்டாலும், கியர்பாக்ஸ் கியர்களின் நிலையான ஈடுபாட்டை உறுதிசெய்து, நிலையான சக்தியை தொடர்ந்து வெளியிடுகிறது மற்றும் ஒட்டுமொத்த சேவை வாழ்க்கையை நீட்டிக்கும்.
Raydafon இன் தயாரிப்பு உற்பத்தி செயல்முறை கண்டிப்பாக சோதிக்கப்பட்டது மற்றும் உண்மையான நிறுவலுக்குப் பிறகு முழுமையாக செயல்பட முடியும். எங்கள் தயாரிப்புகளைத் தேர்ந்தெடுப்பது என்பது நீங்கள் மன அமைதியைத் தேர்ந்தெடுத்துள்ளீர்கள் என்பதாகும்.
| விகிதம் | உள்ளீடு ஆர்.பி.எம் |
உள்ளீட்டு சக்தி | வெளியீடு | மாதிரி | கருத்துகள் | |
| கி.வ | ஹெச்பி | Nm | ||||
| 16.1:1 | 540 | 44.7 | 60 | 11600 | G1-0314 |
|
| 19.4:1 | 540 | 26.1 | 35 | 8600 | G1-0514 |
|
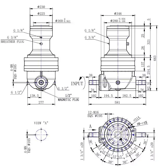
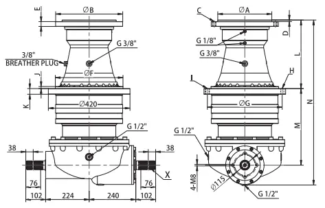
| எண் | A | B | C | D | E | F | G | H | 1 | J | K | L | M | N | ||||||||||||||||||
| 1 | ⌀200 மணி 7 | ⌀278 | 12-M16 EQS⌀245 | 15 | 25 | ⌀280 f7 | ⌀380 | 12-M16 |
|
26 | 30 | 353 | 300 | 785 | ||||||||||||||||||
| 2 | ⌀200 மணி 7 | ⌀278 | 12-M16 EQS⌀245 | 15 | 25 | ⌀280 f7 | ⌀380 | 12-M16 |
|
26 | 30 | 353 | 402.5 | 857.5 | ||||||||||||||||||
| 3 | ⌀278 h8 | ⌀345 | 15-M16 EQS⌀314 | 8 | 25 | ⌀348 h8 | ⌀385 | 12-⌀17 | 2-M18 | 10.5 | 29 | 351 | 321.5 | 774.5 | ||||||||||||||||||
| 4 | ⌀278 h8 | ⌀345 | 15-M16 EQS⌀314 | 8 | 25 | ⌀348 h8 | ⌀385 | 12-⌀17 | 2-M18 | 10.5 | 29 | 351 | 394 | 847 | ||||||||||||||||||
| 5 | ⌀154.8 h8 | ⌀250 | 12-M20*1.5 EQS⌀205 | 12 | 39 | ⌀348 h8 | ⌀385 | 12-⌀17 | 2-M18 | 10.5 | 29 | 354.5 | 321.5 | 778 | ||||||||||||||||||
| விகிதம் | இன்புட் ஆர்.பி.எம் |
உள்ளீட்டு சக்தி | வெளியீடு Nm |
உள்ளீட்டு தண்டு | கருத்துகள் | |||||||||||||||||||||||||||
| kW | ஹெச்பி | |||||||||||||||||||||||||||||||
| 13.4:1 | 540 | 85.8 | 115 | 17984 | X |
|
||||||||||||||||||||||||||
| 14.6:1 | 540 | 70.8 | 95 | 16187 | X |
|
||||||||||||||||||||||||||
| 16.1:1 | 540 | 63.4 | 85 | 15971 | X |
|
||||||||||||||||||||||||||
| 18.2:1 | 540 | 44.7 | 60 | 12744 | X |
|
||||||||||||||||||||||||||
| 21.1:1 | 540 | 37.3 | 50 | 12312 | X |
|
||||||||||||||||||||||||||
| 25.9:1 | 1000 | 82 | 110 | 17954 | X |
|
||||||||||||||||||||||||||
| 28.3:1 | 1000 | 67.1 | 90 | 16051 | X |
|
||||||||||||||||||||||||||
எஃகு "உடல்" மிகவும் நீடித்தது: இந்த கியர்பாக்ஸ் தடிமனான உயர்-வலிமை வார்ப்பிரும்புகளால் ஆனது, மேலும் முழு பெட்டியும் தொட்டி ஷெல் போல வலிமையானது. சிலேஜ் கலக்கும்போது ஈரப்பதமான சூழலாக இருந்தாலும் சரி அல்லது துகள்களாக்கப்பட்ட தீவனத்தைக் கையாள்வதால் ஏற்படும் வன்முறை அதிர்வாக இருந்தாலும் சரி, அது சீராகத் தாங்கும். உட்புற கியர்கள் கார்பரைஸ் செய்யப்பட்டு தணிக்கப்படுகின்றன, மேலும் பல் மேற்பரப்பு கடினத்தன்மை HRC58 வரை அதிகமாக உள்ளது. உடைகள் எதிர்ப்பு சாதாரண கியர்களை விட 3 மடங்கு வலிமையானது. இது தூசி நிறைந்த மற்றும் அதிக எடையுள்ள பண்ணைகளில் ஐந்து அல்லது ஆறு ஆண்டுகளாக தொடர்ந்து பயன்படுத்தப்படுகிறது, மேலும் செயல்திறன் இன்னும் "ஆன்லைனில்" உள்ளது, மேலும் பழுதுபார்ப்புகளின் எண்ணிக்கை மிகக் குறைவு.
பவர் டிரான்ஸ்மிஷன் "பூஜ்ஜிய கழிவு": வடிவமைப்பு புத்தி கூர்மை நிறைந்தது! கியர் மெஷிங் துல்லியம் முடி அளவை அடைகிறது, மேலும் ஆற்றல் பரிமாற்ற திறன் 95% ஐ விட அதிகமாக உள்ளது. மற்ற கியர்பாக்ஸ்கள் மிக்ஸிங் செய்யும் போது "நழுவிச் செல்லும்" சக்தியைக் கொண்டிருக்கலாம், ஆனால் TMR Mixer EP RMGக்கான எங்கள் ஃபீட் மிக்சர் கியர்பாக்ஸ் பிளேடில் உள்ள மோட்டரின் அனைத்து சக்தியையும் பயன்படுத்தலாம். 5 டன் தீவனத்தை ஒரே கலவையில், எங்கள் கியர்பாக்ஸ் 15 நிமிடங்கள் வேகமாகவும், 20% மின் கட்டணத்தையும் சேமிக்கவும், விவசாயிகளின் உண்மையான பணத்தை சேமிக்கவும் முடியும்.
"யுனிவர்சல் அடாப்டபிலிட்டி" மிகவும் கவலையற்றது: இது ஒரு சிறிய பண்ணையில் எளிமையான கலவையாக இருந்தாலும் அல்லது பெரிய தீவன தொழிற்சாலையில் உள்ள மாபெரும் உபகரணமாக இருந்தாலும், இந்த கியர்பாக்ஸை தடையின்றி இணைக்க முடியும். வேக விகிதத்தை 2:1 முதல் 15:1 வரை தாராளமாகச் சரிசெய்யலாம், மேலும் கரடுமுரடான, அடர் தீவனம் மற்றும் கலப்பு ஊட்டத்தை நீங்கள் எப்படி வேண்டுமானாலும் கலக்கலாம். நிறுவலும் எளிதானது, மேலும் சாதனங்களில் பெரிய மாற்றங்களைச் செய்ய வேண்டிய அவசியமில்லை. சாதாரண தொழிலாளர்கள் அறிவுறுத்தல்களின்படி அரை மணி நேரத்தில் செய்துவிடலாம், இது அவசரமாக இருக்கும் விவசாயிகளுக்கு மிகவும் பொருத்தமானது. "புத்திசாலித்தனமான பாதுகாப்பு" மிகவும் கவனமாக உள்ளது: கியர்பாக்ஸில் உள்ளமைக்கப்பட்ட ஓவர்லோட் பாதுகாப்பு சாதனம் உள்ளது. கலவை சுமை மிக அதிகமாக இருந்தால், அது தானாகவே "நிறுத்தப்படும்" கியர்களுக்கு சேதம் ஏற்படுவதைத் தவிர்க்கும், இது இயந்திரத்தைப் பாதுகாப்பது மட்டுமல்லாமல் பாதுகாப்பு விபத்துக்களையும் தடுக்கிறது. Moreover, the structural design is reasonable. பெட்டியைத் திறப்பதன் மூலம் நீங்கள் ஒரு தாங்கியை மாற்றலாம் அல்லது கியரை சரிசெய்யலாம். இது "ரஷ்ய பொம்மையை" அகற்றுவது போல் தொந்தரவாக இல்லை. வேலையில்லா நேரமும் பராமரிப்பு நேரமும் வெகுவாகக் குறைக்கப்பட்டு, பண்ணை உற்பத்தி நிறுத்தப்படாமல் இருப்பதை உறுதி செய்கிறது.
ஒரு வெளிநாட்டு வாடிக்கையாளராக, நான் Raydafon க்கு நன்றி சொல்ல விரும்புகிறேன்! உங்கள் ஃபீட் மிக்சர் கியர்பாக்ஸ் பயன்படுத்த மிகவும் எளிதானது. இது நிறுவப்பட்டதிலிருந்து, உபகரணங்கள் மிகவும் சீராக இயங்குகின்றன, மேலும் வேலை திறன் முன்பை விட அதிகமாக உள்ளது. கியர்பாக்ஸ் திடமான மற்றும் நீடித்த பொருட்களால் ஆனது, மேலும் அதை நிறுவவும் பராமரிக்கவும் எளிதானது. எங்களின் முந்தைய சாதனங்களில் இருந்த பழைய பிரச்சனைகளை இது தீர்த்து வைத்துள்ளது. நான் குறிப்பாக விற்பனைக்குப் பிந்தைய சேவையைப் பாராட்ட வேண்டும். அதைப் பயன்படுத்தும் போது நாங்கள் சில சிறிய கேள்விகளை எதிர்கொண்டோம், நீங்கள் அதை விரைவாக கண்டுபிடித்தீர்கள். இது மிகவும் நம்பகமானது. இந்த ஒத்துழைப்பு அனுபவம் மிகவும் நல்லது. உங்கள் தயாரிப்புகளை எனது சகாக்களுக்கு பரிந்துரைத்துள்ளேன், மேலும் எதிர்காலத்தில் தொடர்ந்து ஒத்துழைப்பை எதிர்பார்க்கிறேன்! -----ஜேம்ஸ் கார்ட்டர்
ஏய், நான் டேவிட் ஜான்சன், ரேடாஃபோனின் வாடிக்கையாளர். உங்கள் Feed Mixer கியர்பாக்ஸ்களை நான் முன்பே வாங்கினேன், அதைப் பயன்படுத்துவது மிகவும் அருமை! இந்த கியர்பாக்ஸை நிறுவிய பிறகு, எங்கள் ஃபீட் மிக்சர் முன்பை விட மிகவும் மென்மையாக இயங்குகிறது, மேலும் செயல்திறன் மேம்படுத்தப்பட்டுள்ளது. உபகரணங்கள் நெரிசல் பற்றி நான் கவலைப்படுகிறேன், ஆனால் இப்போது நான் அதைப் பற்றி கவலைப்பட வேண்டியதில்லை. எனக்கு மிகவும் பயனுள்ளது என்னவெனில், அது மிகவும் நீடித்தது, பொருள் திடமானதாக உணர்கிறது, மேலும் அதை தினசரி அடிப்படையில் பராமரிப்பது சிரமமாக இல்லை. ஒவ்வொரு சில நாட்களுக்கும் தூக்கி எறியப்பட வேண்டிய முந்தைய உபகரணங்களைப் போலல்லாமல், ஒரு சில திருகுகளை இறுக்கி, எண்ணெய் அளவை சரிபார்க்கவும். கடந்த முறை இங்கு செயல்படும் போது எனக்கு சில சிறிய கேள்விகள் இருந்தன, உங்கள் விற்பனைக்கு பிந்தைய சேவைக்கு மின்னஞ்சல் அனுப்பினேன், அதே நாளில் பதில் கிடைத்தது. அதை எப்படி சரிசெய்வது என்று எனக்குக் கற்பிக்க, பொறியாளர் ஒரு திட்ட வரைபடத்தையும் வரைந்தார். இந்த சேவை அருமை! உண்மையைச் சொல்வதென்றால், நான் ஒன்றாக இரவு உணவு உண்ணும் போது எனது சக ஊழியர்களுடன் உங்கள் தயாரிப்புகளைப் பற்றி அடிக்கடி பேசுவேன். நல்ல விஷயங்கள் பலருக்கு தெரிய வேண்டும். எதிர்காலத்தில் உங்களுடன் தொடர்ந்து ஒத்துழைப்பேன் என்று நம்புகிறேன், மேலும் உங்கள் வணிகம் மேலும் மேலும் பிரபலமடைய விரும்புகிறேன்!
என் பெயர் மைக்கேல் பிரவுன். நான் உங்கள் Feed Mixer கியர்பாக்ஸை முதலில் வாங்கியபோது கொஞ்சம் தயங்கினேன், எல்லாவற்றிற்கும் மேலாக, நான் இதற்கு முன்பு மற்ற தயாரிப்புகளால் ஏமாற்றப்பட்டேன், ஆனால் கிட்டத்தட்ட அரை வருடம் அதைப் பயன்படுத்திய பிறகு, நான் உண்மையிலேயே அதைக் கூறுகிறேன்! இந்த கியர்பாக்ஸின் சத்தம் முன்பை விட மிகவும் சிறியது. முன்பெல்லாம் ஆன் செய்யும் போது இடி விழுந்தது போல் இருந்தது, ஆனால் இப்போது பட்டறையில் பேசும் போது கத்த வேண்டிய அவசியம் இல்லை. மிகவும் ஆச்சரியமான விஷயம் செயல்திறன். ஒரு தொகுதி ஊட்டத்தை கலக்க 40 நிமிடங்கள் ஆகும், ஆனால் இப்போது அதை 25 நிமிடங்களில் செய்யலாம், மேலும் கன்வேயர் பெல்ட்டும் அதன் வேகத்தை அதிகரித்துள்ளது. கடந்த வாரம், கியர்பாக்ஸின் இன்டிகேட்டர் லைட் இரண்டு முறை ஒளிர்ந்தது. ஏதாவது பிரச்சனையா என்று யோசித்தேன், அதனால் உங்கள் விற்பனைக்குப் பிந்தைய சேவையை அழைத்தேன். தொலைபேசியில் பதிலளித்த சிறுமி மிகவும் பொறுமையாக இருந்தாள். அவள் என்னை சில புகைப்படங்கள் எடுக்க அனுமதித்து, அந்த இடத்திலேயே சென்சாரிலிருந்து தூசியை சுத்தம் செய்ய வழிகாட்டினாள். இதற்கு 10 நிமிடங்களுக்கு மேல் ஆகவில்லை. கியர்பாக்ஸ் திடமான பொருட்களால் ஆனது. வெளிப்புற ஷெல் கனமாக உணர்கிறது. கடந்த முறை, ஒரு ஃபோர்க்லிஃப்ட் தற்செயலாக அதை தேய்த்தது, ஒரு சிறிய குறி விட்டு, ஆனால் உள்ளே பாகங்கள் பாதிக்கப்படவில்லை. நான் பக்கத்து வீட்டு விவசாயியுடன் மது அருந்தும் போது உங்கள் தயாரிப்புகளை பற்றி பேசிக்கொண்டே இருந்தேன். அடுத்த மாதம் ஆர்டர் செய்யவும் திட்டமிட்டுள்ளார்! எதிர்காலத்தில் உங்களின் புதிய பாகங்கள் முயற்சிக்க ஆவலுடன் காத்திருக்கிறேன், மேலும் நீங்கள் வலுவாகவும் வலுவாகவும் இருக்க விரும்புகிறேன்!
முகவரி
Luotuo தொழில்துறை பகுதி, Zhenhai மாவட்டம், Ningbo நகரம், சீனா
டெல்
மின்னஞ்சல்


+86-574-87168065


Luotuo தொழில்துறை பகுதி, Zhenhai மாவட்டம், Ningbo நகரம், சீனா
பதிப்புரிமை © Raydafon Technology Group Co., Limited அனைத்து உரிமைகளும் பாதுகாக்கப்பட்டவை.
Links | Sitemap | RSS | XML | தனியுரிமைக் கொள்கை |
